EasyManua.ls Logo

Panasonic SA-PT660P - Power Supply Circuit

Panasonic SA-PT660P
158 pages
Print Icon
To Next Page IconTo Next Page
To Next Page IconTo Next Page
To Previous Page IconTo Previous Page
To Previous Page IconTo Previous Page
Loading...
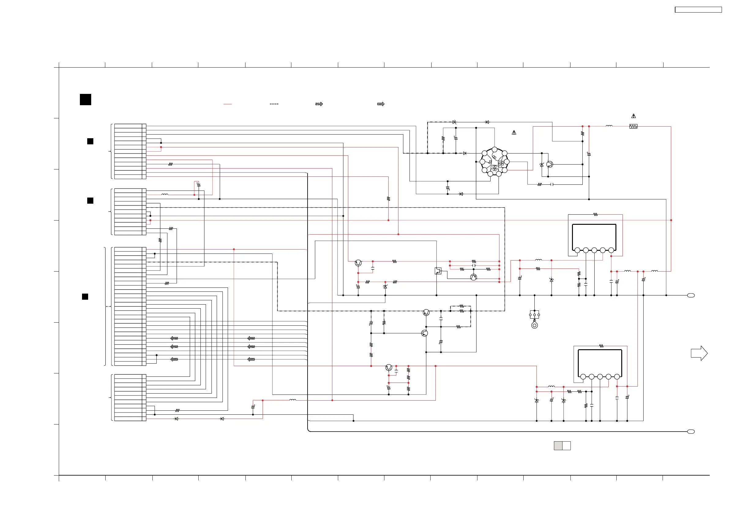
19.5. Power Supply Circuit
2
1
F
POWER SUPPLY CIRCUIT
SCHEMATIC DIAGRAM - 13
SA-PT660P/PC POWER SUPPLY CIRCUIT
1/2 2/2
TO POWER
SUPPLY SECTION (2/2)
B
TO
MAIN CIRCUIT
(CN2008)
IN SCHEMATIC
DIAGRAM - 6
G
TO
SMPS CIRCUIT
(CN5802)
IN SCHEMATIC
DIAGRAM - 15
B
TO
MAIN CIRCUIT
(CN2015*)
IN SCHEMATIC
DIAGRAM - 8
: +B SIGNAL LINE
: IPOD VIDEO SIGNAL LINE: IPOD AUDIO SIGNAL LINE: -B SIGNAL LINE
TO CR14
(CN2)
A
B
C
D
E
F
G
H
1234567891011121314
1234567891011121314
L2911
16V100
C2925
G0A220GA0026
L2913
R2010
1K
6
8
9
7
2
1
4
5
3
10
11
CN2004*
R2936
470
D2912
B0BC3R400001
C2916
16V100
R2946
33
R2977
1
B1BACG000023
Q2904
C2915
0.1
R2915
+2.5V REGULATOR
DC DETECT
-7V POWER SUPPLY
+7V POWER SUPPLY
POWER CONTROL
DC DETECT
1.5
7
9
11
10
12
8
2
3
1
5
6
4
13
CN2016
R2919
1K
R2954 47
D2901
B0BC035A0007
R2902
47
D2908
SWITCHING TRANSFORMER
SWITCHING REGULATOR
SWITCHING REGULATOR
PSAVE CONTROL
B0EAMM000057
53
4
8
7
62
1
9
T2900
G4D1A0000117
G0A101ZA0028
L2902
C2924
1000P
D2904
B0JCPD000025
R2920
3.9K
R2921
390
B0EAMM000057
D2903
B0JAME000029
D2906
C2912
16V100
D2909
MAZ82400HL
R2914
47K
C2903
35V33
C2922
6.3V820
Q2921
B1ADCF000001
C2975 0.1
1.5
R2913
Q2922
B1GBCFJJ0051
R2975 15K R2976 10K
+5.3V
C2906
16V470
3.9K
R2952
C2930
10V680
B0BC010A0007
D2951
R2907
2.7K
10V33
C2909
47R2910
32 1
E2900
R2911
3.9K
B1BCCG000002
Q2901
R2912
2.7K
C2907
0.01
C2908
16V100
B1ADCF000001
Q2902
R2908
560
560
R2953
R2905
39
C2905
0.01
Q2903
B1BACG000023
G0A101ZA0028
L2903
D2913
B0JCPD000025
R2906
6.8K
R2923
1.2K
1K
R2922
0.01
C2929
G0A220GA0026
L2910
R2935 4.7K
G0A220GA0026
L2901
C2901
25V1000
FP2901
0.4A
4.7KR2930
0.01
C2939
B1BABK000001
Q2900
C2902
3900P
42135
C0DAAMH00012
IC2903
G0A200D00002
C2955
25V220
5.6K
R2900
C2900 35V33
42135
C0DAAYY00042
IC2900
C2927
0.01
C2923
25V220
6
7
5
9
24
23
25
17
16
19
18
12
14
13
10
11
15
21
22
20
26
8
1
1
3
4
2
28
28
27
CN6001
SYS6V
SYNC
DC_DET
SYS6VGND
GND
GND
-13V
PCONT
AMBP
+18V
+18V
IPOD_DET
DOCK5V_GND
5.3V
+9V
GND
5.3V
GND
-VP
5.3V
SYS6V
+18V
MGND
MGND
9V
9V
SYS6VGND
DVD_2R5
F+
F-
STBY
INV
GND
VCC
OUT
VCC
STBY
OUT
GND
INV
IPOD DETECT
VGND
VGND
MGND
VGND
IPOD_VIDEO OUT
IPOD_VIDEO OUT
DOCK5VSW
DOCK5VSW
CLOSE
MODE
AMBP
TOP
LO F
UD
LO R
DCDET1
PCONT
+7V
+7V
AGND
AGND
-7V
SYNC
DC_DET2
OPEN
HOME
ACC_PWR
DO_UART_OUT/TX
DO_UART_IN/RX
ACC_PWR
DO_UART_OUT/TX
DO_UART_IN/RX
DOCK_L_OUT
DOCK_L_OUT
DPORT_AGND
DPORT_AGND
DOCK_R_OUT
DOCK_R_OUT
W6406 0
W6408
0
W6409 0
W6226 0
6
8
9
7
2
1
4
5
3
10
11
CN2011
TOP
UD
VCC
DGND
MODE
LO F
OPEN
HOME
CLOSE
LO R
PGND
L2909
C2919
16V220
D2003
D2002 B0EAKM000117 B0EAKM000117
G0A100HA0023
SA-PT660P / SA-PT660PC
115

Table of Contents