EasyManua.ls Logo

Panasonic SA-VK31 - (B) Main Circuit

Panasonic SA-VK31
116 pages
Print Icon
To Next Page IconTo Next Page
To Next Page IconTo Next Page
To Previous Page IconTo Previous Page
To Previous Page IconTo Previous Page
Loading...
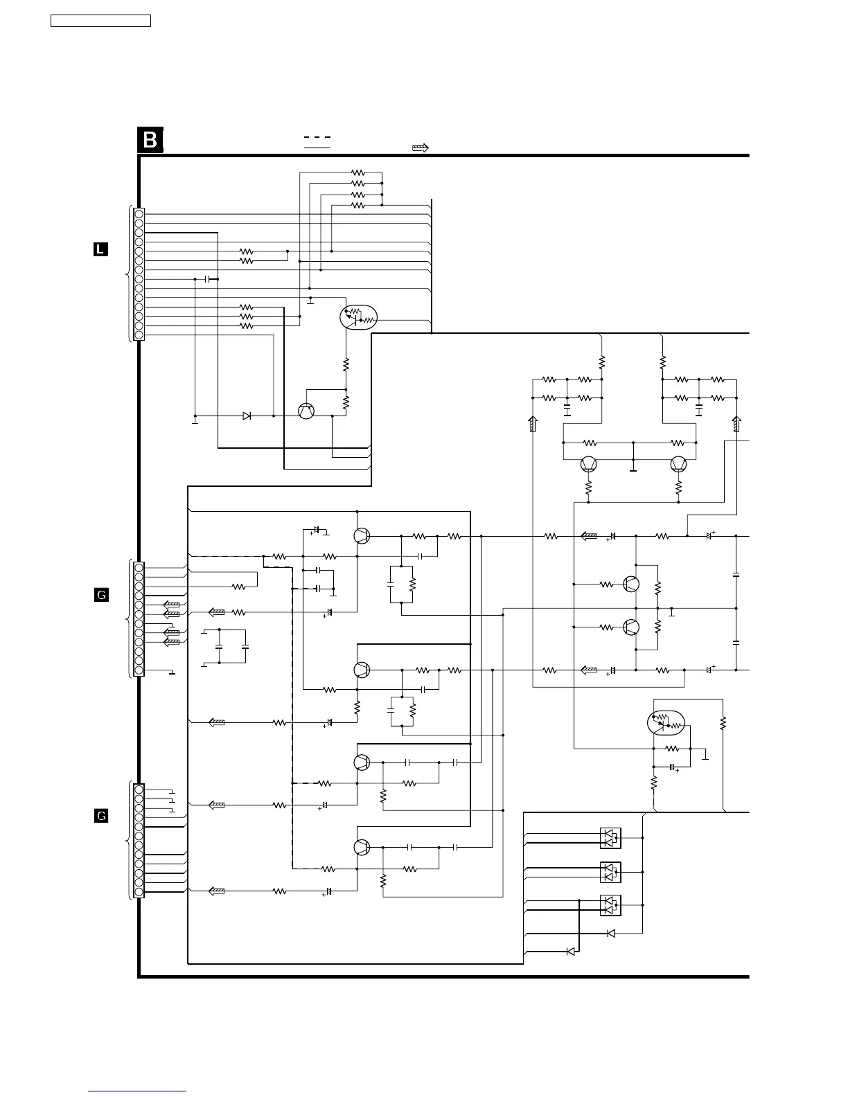
18.3. (B) Main Circuit
R2944 22K
R2945 12K
C2926
0.47
R2948 220
R2946 22K
R2947 12K
D2924
B0EAKM000117
Q2924
R2950
10K
R2949
1K
Q2923
R2703
1
R2103
1
R2706
33
R2704
33
R2707
33
R2705
33
R2104
33
R2106
33
R2105
33
R2107
33
C2703
1000P
C2103
1000P
R2708
3.3K
R2108
3.3K
R2709
1K
R2109
1K
Q2703 Q2103
R2920
22
R2139
2.2K
C2147
16V10
C2130
8200P
R2137
18K
R2136
1K
Q2104
R2138
220K
C2131
1800P
C2110
0.1
C2136
0.1
C2135
50V1
R2919
2.2K
R2143
1.8K
C2938
0.22
C2939
0.22
R2739
2.2K
C2735
50V1
R2743
1.8K
R2745
0
C2731
1800P
R2738
220K
C2730
8200P
R2737
18K
R2736
18K
Q2704
Q2105
R2144
1K
R2142
5.6K
C2134
50V1
C2133
8200P
C2132
8200P
R2140
4.7K
R2141
12K
Q2705
C2733
8200P
C2732
8200P
R2740
4.7K
R2741
12K
R2742
5.6K
C2734
50V1
R2744
1K
D2906
B0EAKM000117
D2902
B0ACCK000005
D2903
D2904
D2905
R2909
27K
C2909
50V4.7
R2910
56K
R2918
2.2K
Q2901
B1GDCFJJ0023
MUTING CONTROL
R2154
220
R2754
220
C2729
50V1
R2728
2.2K
C2727
16V10
C2740
1000P
R2734
100K
R2134
100K
C2140
1000P
R2135
1K
R2735
1K
Q2102
Q2702
C2129
50V1
R2128
2.2K
C2127
16V10
R2940 10K
R2941 47K
R2942 47K
R2943 10K
MAIN CIRCUIT
SCHEMATIC DIAGRAM - 4
CHG_CW
CHG_HALF
8V
CHG_CCW
CLAMP
OPEN
SW1
PGND
SW2
DGND
5V
POSITION
BOTTOMSW
PLUNGER
FAN
DC_DET
+15V
HI_L
HI_R
GND1
LO_L
LO_R
TGND
DGND
DGND
UPGND
SUB+B
CD8V
LED9V
MOT10V
+9V
-9V
SW5V
+9V
-9V
MUTEH
LO_L
LO_R
HI_L
HI_R
SW5V
MOT10V
CD8V
CHG_PLGR
SW2
SW1
CHG_AD2
CHG_AD1
CHG_CCW
CHG_HALF
CHG_CW
VREF+
HPR
HPL
LED9V
SW5V
15V
+9V
CD8V
CD7.5V
MOT10V
CD7.5V
DC_DET
-9V
MUTEA
CN2909
CN2900
CN2901
TO
CD LOADING
CIRCUIT
(CN1) ON
SCHEMATIC
DIAGRAM - 18
TO
POWER
CIRCUIT
(CN5800) ON
SCHEMATIC
DIAGRAM - 16
TO
POWER
CIRCUIT
(CN5801) ON
SCHEMATIC
DIAGRAM - 16
MUTE_H
D2903 - 2905
B0ADCJ000020
Q2923
B1GBCFJJ0039
PLUNGER SWITCH
Q2924
KTA12710YTA
MOTOR SWITCH
Q2103, 2703
B1ABEB000001
MUTING SWITCH
Q2102, 2702
B1ABEB000001
MUTING SWITCH
Q2104, 2105, 2704, 2705
B1ABCF000131
AMPLIFIER
: +B SIGNAL LINE : MAIN SIGNAL LINE
: -B SIGNAL LINE
1
2
3
4
5
6
14
12
10
8
7
9
11
13
12
11
10
2
4
6
8
9
7
5
3
1
12
11
10
2
4
6
8
9
7
5
3
1
56
SA-VK31GC / SA-VK31GS

Table of Contents

Related product manuals