EasyManua.ls Logo

Panasonic SA-VK81DEE - Page 103

Panasonic SA-VK81DEE
153 pages
Print Icon
To Next Page IconTo Next Page
To Next Page IconTo Next Page
To Previous Page IconTo Previous Page
To Previous Page IconTo Previous Page
Loading...
15
14
13
12
11
10
2
4
6
8
9
7
5
3
1
2
1
15
14
13
12
11
10
2
4
6
8
9
7
5
3
1
2
1
2
1
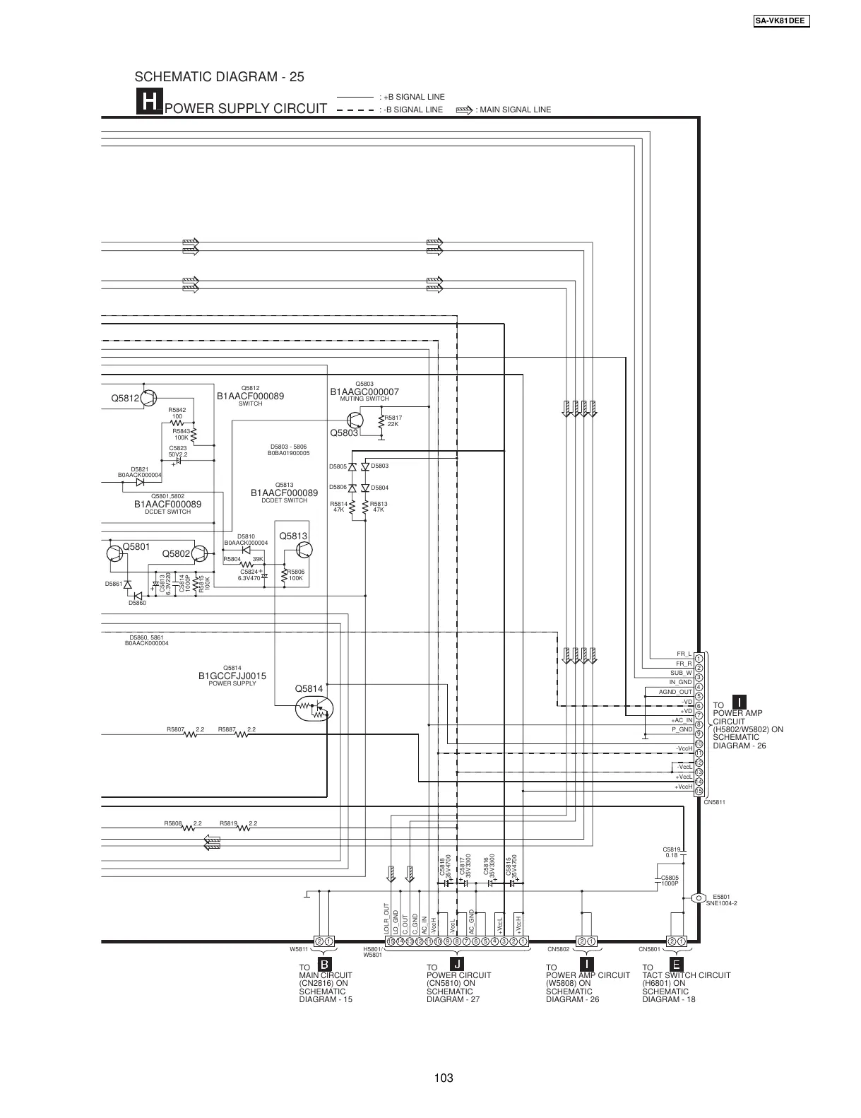
POWER SUPPLY CIRCUIT
R5842
100
R5843
100K
C5823
50V2.2
D5821
B0AACK000004
C5813
6.3V220
C5814
1000P
D5810
B0AACK000004
R5804 39K
C5824
6.3V470
R5806
100K
R5817
22K
R5814
47K
R5813
47K
D5803
D5804
D5805
D5806
R5807 2.2
R5819 2.2
C5818
35V4700
C5817
35V3300
C5816
35V3300
C5815
35V4700
C5805
1000P
C5819
0.18
Q5812
Q5801
Q5802
Q5813
Q5803
Q5814
SCHEMATIC DIAGRAM - 25
Q5812
B1AACF000089
SWITCH
Q5801,5802
B1AACF000089
DCDET SWITCH
Q5813
B1AACF000089
DCDET SWITCH
Q5803
B1AAGC000007
MUTING SWITCH
LOLR_OUT
LO_GND
C_OUT
C_GND
AC_IN
-VccH
AC_GND
-VccL
+VccL
+VccH
FR_L
FR_R
SUB_W
IN_GND
AGND_OUT
-VD
+VD
+AC_IN
P_GND
-VccH
-VccL
+VccL
+VccH
TO
POWER AMP
CIRCUIT
(H5802/W5802) ON
SCHEMATIC
DIAGRAM - 26
: -B SIGNAL LINE
: +B SIGNAL LINE
: MAIN SIGNAL LINE
H5801/
W5801
TO
POWER CIRCUIT
(CN5810) ON
SCHEMATIC
DIAGRAM - 27
CN5801
TO
TACT SWITCH CIRCUIT
(H6801) ON
SCHEMATIC
DIAGRAM - 18
CN5811
D5803 - 5806
B0BA01900005
Q5814
B1GCCFJJ0015
POWER SUPPLY
E5801
SNE1004-2
CN5802
TO
POWER AMP CIRCUIT
(W5808) ON
SCHEMATIC
DIAGRAM - 26
R5815
100K
D5861
D5860
R5808 2.2
D5860, 5861
B0AACK000004
R5887 2.2
W5811
TO
MAIN CIRCUIT
(CN2816) ON
SCHEMATIC
DIAGRAM - 15
103
SA-VK81DEE
All manuals and user guides at all-guides.com

Table of Contents

Related product manuals