EasyManua.ls Logo

Panasonic SA-VKX95EE - Main (DSP) Circuit (1;2)

Panasonic SA-VKX95EE
116 pages
Print Icon
To Next Page IconTo Next Page
To Next Page IconTo Next Page
To Previous Page IconTo Previous Page
To Previous Page IconTo Previous Page
Loading...
72
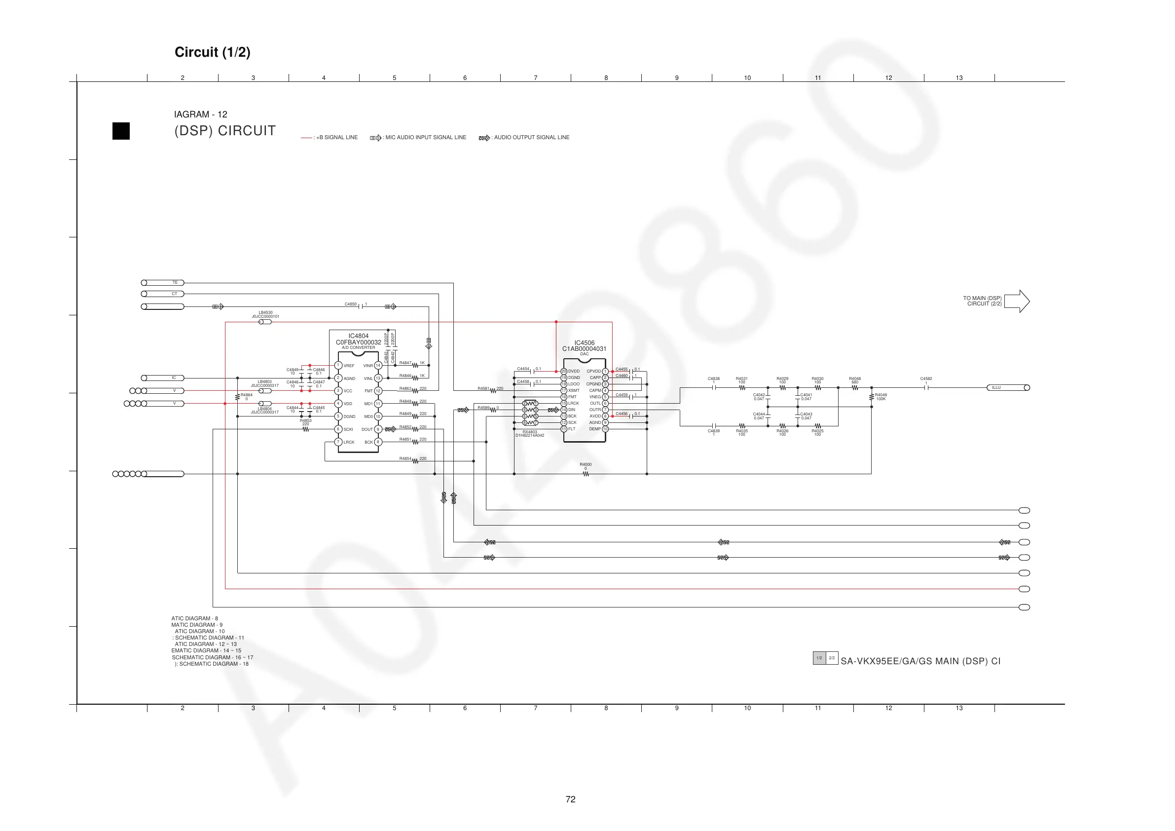
12.13. Main (DSP) Circuit (1/2)
A
1
2 3 4 5 6 7 8 9 10 11 12 13 14
1 2 3 4 5 6 7 8 9 10 11 12 13 14
C
D
B
E
G
H
F
B
MAIN (DSP) CIRCUIT
SCHEMATIC DIAGRAM - 12
SA-VKX95EE/GA/GS MAIN (DSP) CIRCUIT
2/21/2
TO MAIN (DSP)
CIRCUIT (2/2)
1
2
3
4
7
5
6
UP: MAIN (UP): SCHEMATIC DIAGRAM - 8
SO: MAIN (SOC): SCHEMATIC DIAGRAM - 9
US: MAIN (USB): SCHEMATIC DIAGRAM - 10
TU: MAIN (TUNER AUX): SCHEMATIC DIAGRAM - 11
DS: MAIN (DSP): SCHEMATIC DIAGRAM - 12 ~ 13
DA: MAIN (DAMP): SCHEMATIC DIAGRAM - 14 ~ 15
VR: MAIN (VREG FAN): SCHEMATIC DIAGRAM - 16 ~ 17
CN: MAIN (CONNECTOR): SCHEMATIC DIAGRAM - 18
: +B SIGNAL LINE
: MIC AUDIO INPUT SIGNAL LINE
: AUDIO OUTPUT SIGNAL LINE
R4048
680
C4582
1
C4454 0.1
C4458 0.1
R4581 220
R4589 0
C4455 0.1
C4459 1
C4460 1
C4456 0.1
100
R4030
100
R4031
0
R4000
1
C4838
100
R4029
100
R4025
100
R4035
1
C4839
100
R4026
C4042
0.047
C4041
0.047
R4049
100K
C4044
0.047
C4043
0.047
8
65
7
4
21
3
RX4803
D1H82214A042
19
15
17
16
11
13
14
12
18
20
2
6
4
5
10
8
7
9
3
1
C1AB00004031
IC4506
J0JCC0000101
LB4530
LB4804
J0JCC0000317
LB4803
J0JCC0000317
C4849
10
C4848
10
C4846
0.1
C4847
0.1
C4844
10
C4845
0.1
220
R4853
0
R4864
5
6
4
1
2
3
9
11
13
14
12
10
7
8
C0FBAY000032
A/D CONVERTER
DAC
IC4804
220R4849
220R4851
220R4854
220R4852
R4848 220
MD1
MD0
VINR
FMT
VINL
BCK
DOUT
VDD
DGND
VREF
VCC
AGND
LRCK
SCKI
R4863 220
R4847 1K
C4850 1
R4846 1K
CAPP
AVDD
OUTR
AGND
CAPM
OUTL
XSMT
DGND
LDOO CPGND
DEMP
BCK
FLT
SCK
VNEGFMT
LRCK
DIN
DVDD CPVDD
ADAC_MUTE
SO
I2S_SELECT
SO
MIC_IN
CN
AGND_MIC
CN
PW_+5R6V
CN
PW_+3R3V
CN
DGND
CNSO
US
UP
US
VR
VR
VR
TU
TUUP
ILLUMINATION
SO
C4843 2200P
C4842 2200P

Table of Contents

Related product manuals