EasyManua.ls Logo

Panasonic SD-257WST - Basic Wiring Diagram

Panasonic SD-257WST
35 pages
To Next Page IconTo Next Page
To Next Page IconTo Next Page
To Previous Page IconTo Previous Page
To Previous Page IconTo Previous Page
Loading...
31
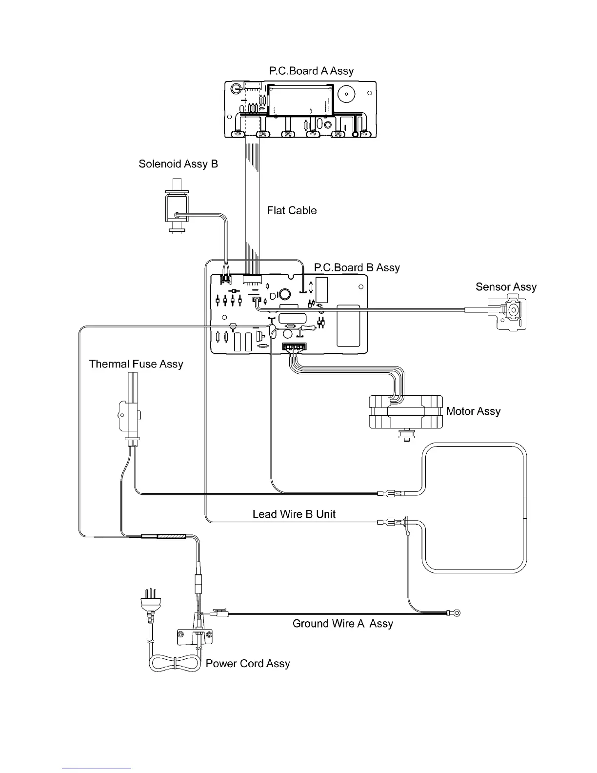
8.2. Basic wiring diagram

Related product manuals