EasyManua.ls Logo

Panasonic SDR-H20EE - 13 Block Diagrams

Panasonic SDR-H20EE
79 pages
Print Icon
To Next Page IconTo Next Page
To Next Page IconTo Next Page
To Previous Page IconTo Previous Page
To Previous Page IconTo Previous Page
Loading...
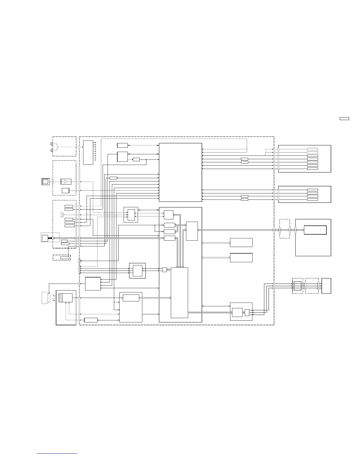
13 Block Diagrams
OVERALL BLOCK DIAGRAM
CAMERA DATA (10 BIT)
CAMERA VD/HD
IC3001
IC6001
IC302
IC3301
IC3301
IC6004
IC1001, ETC
CCD DRIVE
TIMING
GENERATOR
CCD
FOCUS/ZOOM
MOTOR DRIVE
/OIS DRIVE
/IRIS/HALL AMP
CONTROL
IC601
MIC
IC701,IC702
IC4801
LENS
UNIT
IC303
CCD UNIT
SPEAKER
SD SLOT
USB JACK
AV
JACK
REAR UNIT MAIN P.C.B.
ECM UNIT
FRONT P.C.B.
SIDE R P
LCD OPEN
SW ITCH P.C.B.
.C.B.
CAMERA SIGNAL
PROCESS
CAMERA
DIGITAL
SIGNAL
PROCESS
D/A
AUDIO
SIGNAL
PROCESS
SD I/F
USB I/F
USB I/F
AUDIO
I/F
EEPROM
RESET
IC6002
IC6003
TIAER
POWER
SUPPLY
CIRCUIT
SYSTEM
MICROCONTROLLER
KEY DATA (1-3)
POWER LED ON(L)
AUTO FOCUS SW
MANUAL FOCUS SW
DISC ACCESS LED ON(L)
POWER SW
START/STOP SW
PHOTOSHOT SW
ZOOM SW DATA
ATA DATA (16 BIT)
DRAMSDAT (32 BIT)
ADAT (16 BIT)
VIDEO
SIGNAL
PROCESS
ACCESS LED
LCD OPEN SW
RESET SW
BATTERY
POWER LED
OPERATION KEY
MODE DIAL KEY
CROSS KEY
POWER SW
DISC ACCESS LED
PHOTO SHOT SW
ZOOM SW
BLUE LED
ORANGE LED
START/STOP SW
BATTERY
TERMINAL
DC JACK
ATAPI
FORMATTING
INTERFACE
IC8001
IC3202
SDRAM
HDD
FUNCTION BLOCK
IC3203
FLASH MEMORY
LCD PANEL
UNIT
LCD BACKLIGHT
P.C.B.
SIDE L/OPERATION UNIT
TOP OPERATION UNIT
SHAFT
UNIT
LCD
PAN EL
HDD UNIT
SD
CARD
LED DRIVE
+5V
FP41
FP71
FP81
FP61
FP63
FP8102FP8101
FP31
FP6501
EEPROM SERIAL DATA/CLOCK
TIMER SERIAL DATA/CLOCK
RESET(L)
CARD ACCESS LED ON(L)
LCD OPEN SW
HALL BIAS/PWM BIAS/HALL AMP GAIN CONTROL
AUDIO SIF SERIAL DATA/CLOCK
MIC AUDIO
SP AUDIO
AUDIO
MIC AUDIO
CCD
ALC CONTROL
/IRIS OPEN/IRIS CLOSE
H1/H2//RESET PULSE
LENS DRIVE DATA/CLOCK
CG/AFE DATA/CLOCK
S-VIDEO-Y
S-VIDEO-C
S-VIDEO-Y
S-VIDEO-C
S-VIDEO-Y
S-VIDEO-C
V1-V4/CH1/CH2 PULSE
AUDIO
VIDEO VIDEO
PB A
SD DOOR SW
UDIO DATA
REC AUDIO DATA
LCD-R
LCD-G
LCD-B
+3.3V
UNREG
+3V
+1.8V
+1.2V
-6.5V
+8.5V
+12V
LED DRIVE
LED DRIVE
B21
HDD RELAY P.C.B.
P2502B2501
LCD SW
LCD SERIAL DATA/CLOCK
LCD DATA(8BIT)
FP62
FJ4801
FP6301
SD DOOR SW
POWER LCD SW
DVD COPY SW
AF/MF SW
BLUE LED ON(H)
ORANGE LED ON(H)
LED DRIVE
LED DRIVE
(WITH SD SLOT)
FP11
IC7801,
IC7802
GYRO
GYRO X, GYRO Y
OIS DRIVE DATA/CLOCK
POWER LCD SW
DVD COPY SW
LCD/EVF
SIGNAL
PROCESS
D/A
SDR-H20E/EB/EE/EF/EG/EP/GC/GN, SDR-H21EE/GC, SDR-H28GK, SDR-H29GK
OVERALL BLOCK DIAGRAM
SDR-H20E
53

Table of Contents

Related product manuals