EasyManua.ls Logo

Panasonic YC-400TX4 - Installation and Power Supply Facility; Power Supply and Connecting Cable; Grounding Requirements

Panasonic YC-400TX4
40 pages
Print Icon
To Next Page IconTo Next Page
To Next Page IconTo Next Page
To Previous Page IconTo Previous Page
To Previous Page IconTo Previous Page
Loading...
3
3.
N.
B
1)
a
s
2)
3)
th
a
3.
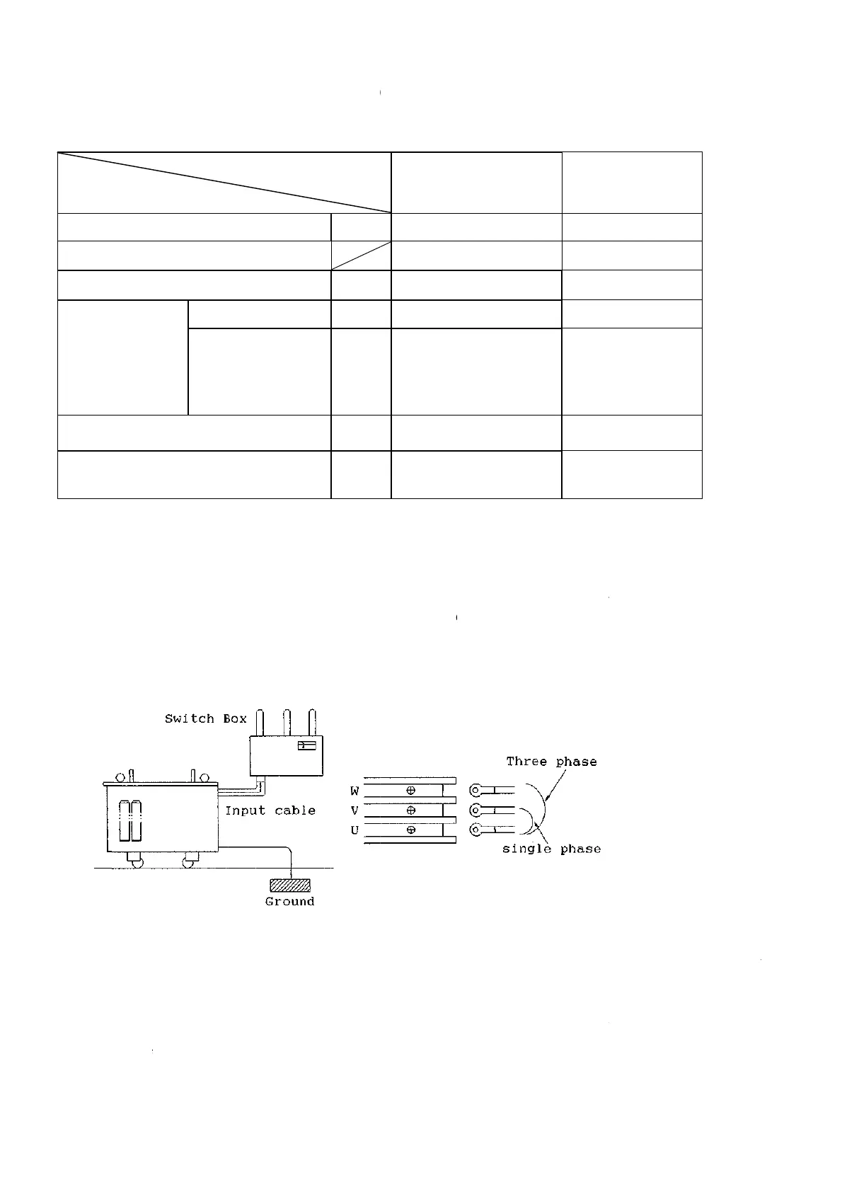
Instal
1 Power
Ite
m
F
Switch b
o
B
.
Turn off th
e
s
pecified fu
s
Power sup
p
If an engin
e
a
t ofthe wel
d
2 Groun
d
. Protection
electric s
h
welder c
o
Dailychecki
n
disconne
c
turned of
f
lation
a
supply
a
m
Supply volt
a
phases
F
acility capa
o
x
E
a
bre
a
Input cabl
e
Output cabl
e
e
switch of t
h
s
e.
p
ly cable sh
o
e
generator
i
d
er or with
c
d
ing
against el
e
h
ocks and
m
o
ntroller.
n
g of grou
n
c
ted orbrok
e
f
beforereco
a
nd Po
w
a
nd con
n
Type
a
ge
city
Fuse
a
rth leakage
a
ker or no-fu
s
breaker
e
e
h
e switch b
o
o
uld be 14
m
i
s used, it s
h
c
ompensati
n
e
ctric shoc
k
m
alfunction
i
n
ding cond
u
e
n. If it is di
s
nnecting.
w
er su
p
n
ecting
c
V
kVA
A
s
e
A
mm2
mm2
o
xwhile con
n
m
m
2
or mor
e
h
ould be pr
o
n
g winding f
o
k
caused b
y
i
ng of equi
p
u
ctor perfor
m
s
connected,
2
p
ply fac
i
c
able
YC-4
A
Th
r
3
0
6
5
0
n
ecting cabl
e
e
in section
a
o
vided with
a
o
r thyristo
r
e
q
y
degraded
p
ment caus
e
m
daily che
c
or broken,
i
lity
00TX4HGH
A
C 380
r
ee-phase
0
or more
40
50
or more
0
or more
e
. Provide
a
a
larea if its l
e
a
n inverter o
q
uipment.
insulationo
f
e
d by high
f
c
k ofgroun
d
reconnect i
t
YC-
4
Th
2
0
6
5
0
a
switch box
e
ngth is mo
f capacity f
r
f
welder Gr
f
requency
w
d
ing condu
c
t
. Theswitch
4
00TX4HJE
AC415
ree-phase
0
or more
40
50
6
or more
0
or more
for every w
re than 10
m
r
om three to
r
ound the c
a
w
avesgener
a
c
tor. Confir
m
of the swit
c
elder and u
s
m
.
five times
o
a
se to pre
v
a
ted from i
n
m
whether i
t
c
h box mus
t
s
e
o
f
v
ent
n
ert
t
is
t
be