EasyManua.ls Logo

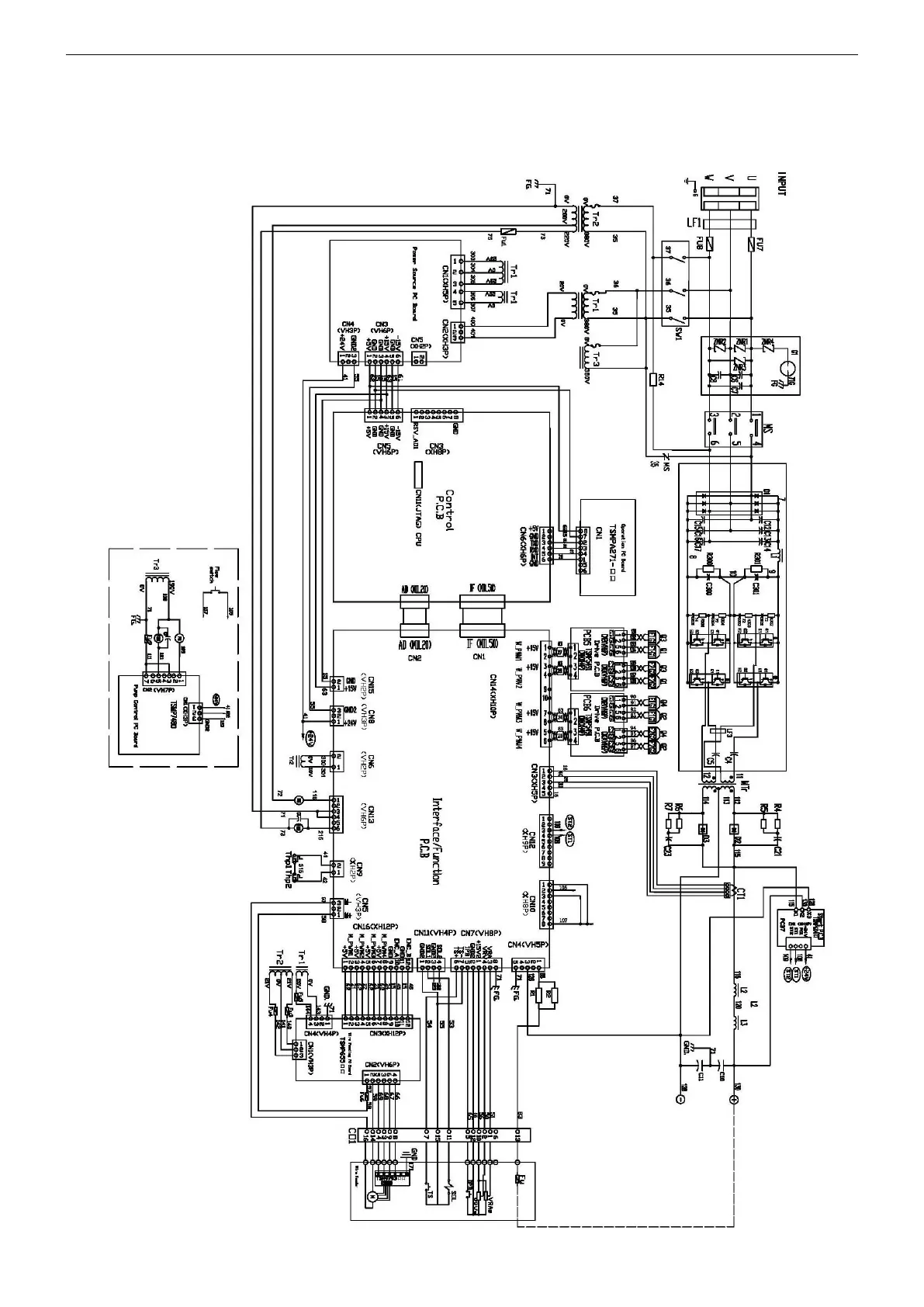
Panasonic YD-350FD2 - Circuit Diagrams; YD-350 FD2 HGY Electrical Schematic

Panasonic YD-350FD2
48 pages
Print Icon
To Next Page IconTo Next Page
To Next Page IconTo Next Page
To Previous Page IconTo Previous Page
To Previous Page IconTo Previous Page
Loading...
Circuit diagram
42
13 Circuit diagram
13.1 Circuit diagram for YD-350FD2HGY