EasyManua.ls Logo

Paradigm T560 - T561 (110 V) Block Diagram

Paradigm T560
107 pages
Print Icon
To Next Page IconTo Next Page
To Next Page IconTo Next Page
To Previous Page IconTo Previous Page
To Previous Page IconTo Previous Page
Loading...
HS Consumer Treadmill
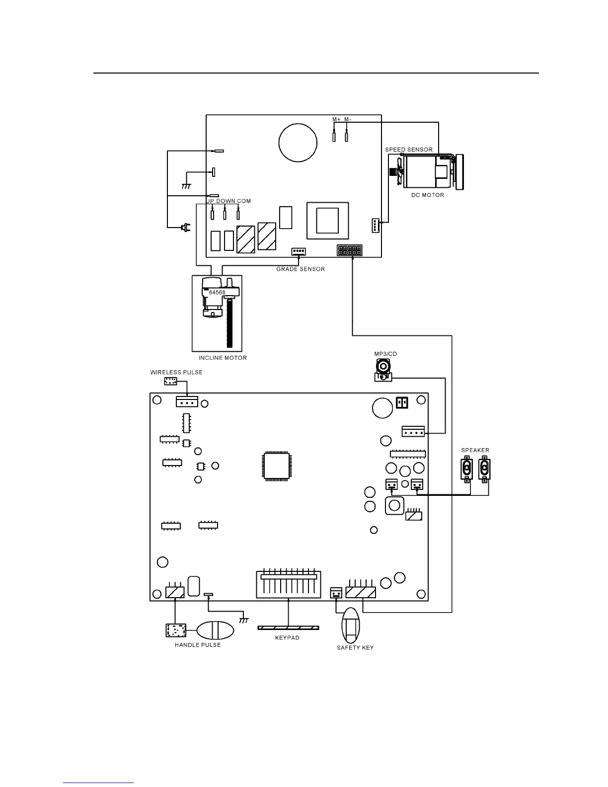
ELECTRONIC OVERVIEW – T561(110V) BLOCK DIAGRAM
Section 4
16

Table of Contents

Related product manuals