EasyManua.ls Logo

Payne PH3Z024 - Page 15

Payne PH3Z024
22 pages
Print Icon
To Next Page IconTo Next Page
To Next Page IconTo Next Page
To Previous Page IconTo Previous Page
To Previous Page IconTo Previous Page
Loading...
0..,A. _[,_
CONTROL P L UG
BOARD B RN
] WHT
STEP VlO
S,EP_--[_P_GRY
TO
0..T_w,O,_--_£t_--_
,- .................1 __t_ I
_,_ _iI__ _
SINGLE POINT I<IT l
I
:" J
I I RELAY 1
i_ I I L_ _--B_--BRN--¢I EL1 AUTO LIMIT
I BLK YEL
I
I I I
]! I RELAY 2 I
i I I
I "_-- -- --_--BRN-- _ EL2 AUTO LIMIT
I _BL_' _ _ YEL
I I RELAY_ , I
_-I---_-_RN-+ EL_ AUTOLIMIT
___L_,-- YEL--I
I I
I RELAY 4 I l
!---_-ORN-= EL,AUTOLIMITI
_BLK -- YEL -_1
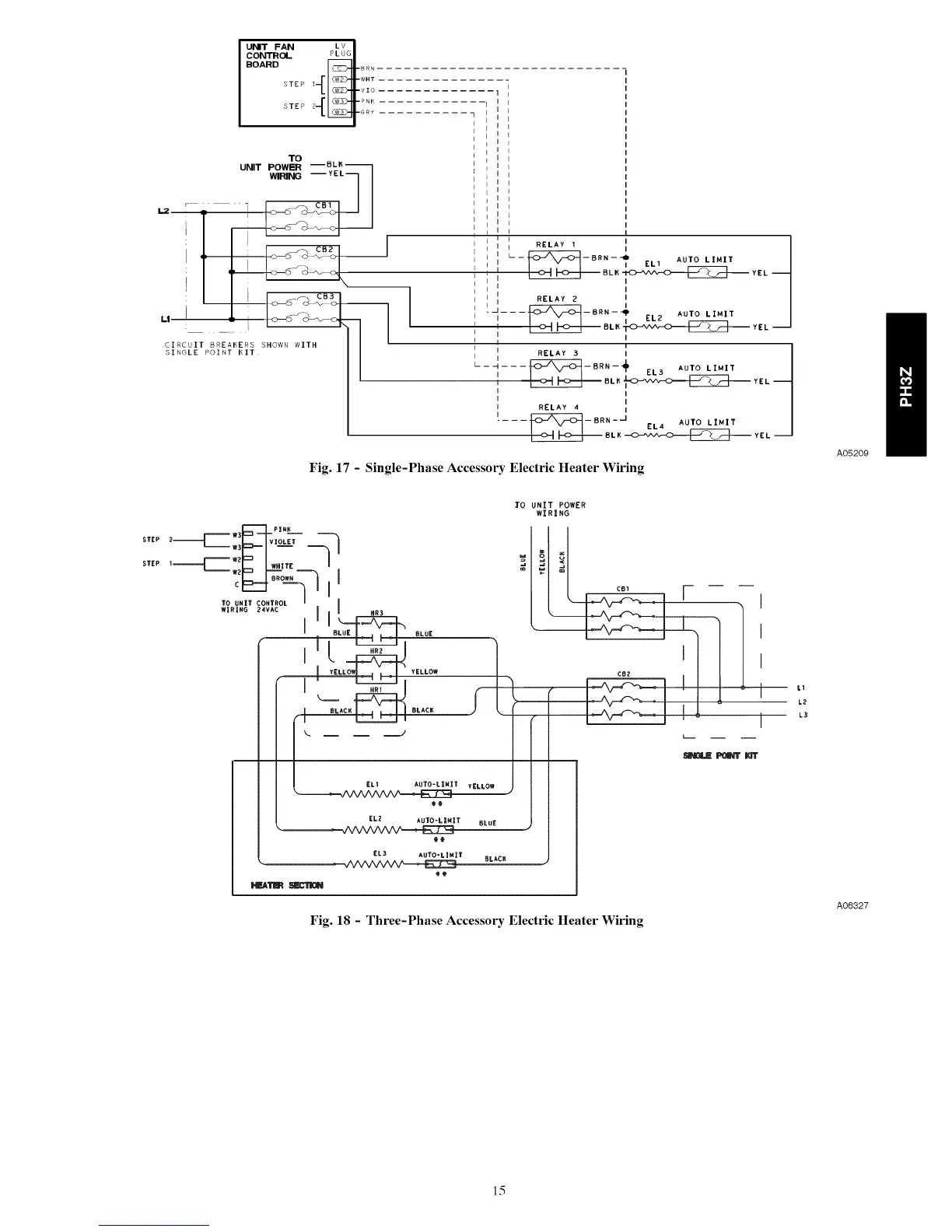
Fig. 17 - Single-Phase Accessory Electric Heater Wiring
A05209
IO UNIT POWER
WIRING
2 W3 VIOLET
S,EP ................[::Z,3 __ _ = g
,,
WIRING 24VAC [ [ NR3 _1 "
EL_ AUTO-LIMIT BLUE
Q$
EL3 AUTO=L _N_T
_ . BLACK J
Fig. 18 - Three-Phase Accessory Electric Heater Wiring
L1
L2
L3
A06327
15

Related product manuals