EasyManua.ls Logo

PEERLESS VL30 - Wiring Diagram CE41;51 Single Phase

Default Icon
26 pages
Print Icon
To Next Page IconTo Next Page
To Next Page IconTo Next Page
To Previous Page IconTo Previous Page
To Previous Page IconTo Previous Page
Loading...
 
14
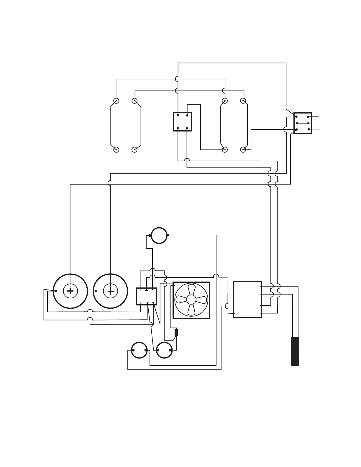
CE41 - 51 P, B & I 220V 1 PHASE WIRING DIAGRAM
15 10 5
14 9 4
13 8 3
12 7 2
11 6 1
F.H.
F.H.
SSR
T.S.
F.L .
F.S .
H.L.
FAN
CONTROLLER
THERMOCOUPLE
YELLOW
RED
T.B.
A2
A1
T1

Related product manuals