EasyManua.ls Logo

PEERLESS VL30 - Wiring Diagram CE131 Three Phase

Default Icon
26 pages
Print Icon
To Next Page IconTo Next Page
To Next Page IconTo Next Page
To Previous Page IconTo Previous Page
To Previous Page IconTo Previous Page
Loading...

17
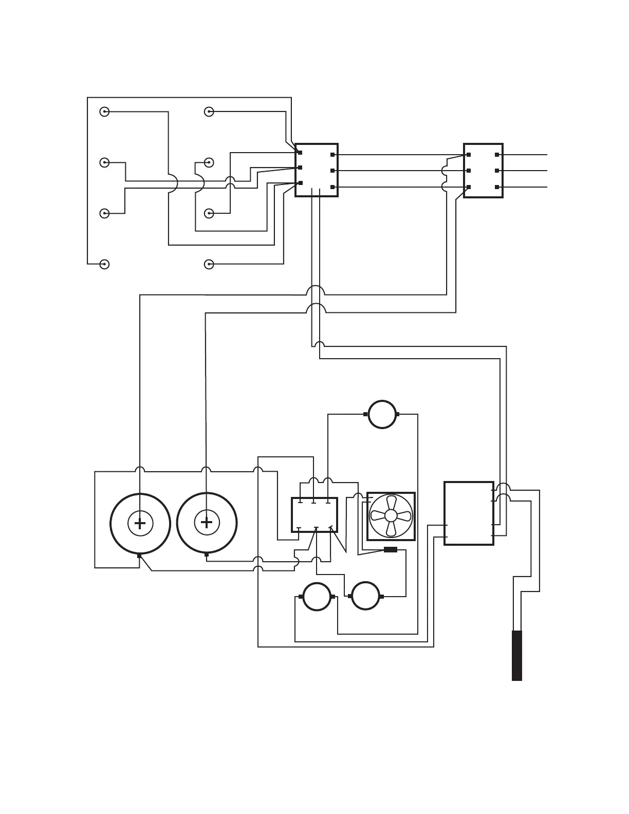
CE131 220V 3 PHASE WIRING DIAGRAM
F.H.
F.H.
F.S .
F.L .
15 10 5
14 9 4
13 8 3
12 7 2
11 6 1
SSR
2 1
FAN
CONTROLLER
THERMOCOUPLE
YELLOW
RED
T.S.
H.L.
T.B.
LINE

Related product manuals