EasyManua.ls Logo

PEERLESS VL30 - Wiring Diagram B121

Default Icon
26 pages
Print Icon
To Next Page IconTo Next Page
To Next Page IconTo Next Page
To Previous Page IconTo Previous Page
To Previous Page IconTo Previous Page
Loading...
 
18
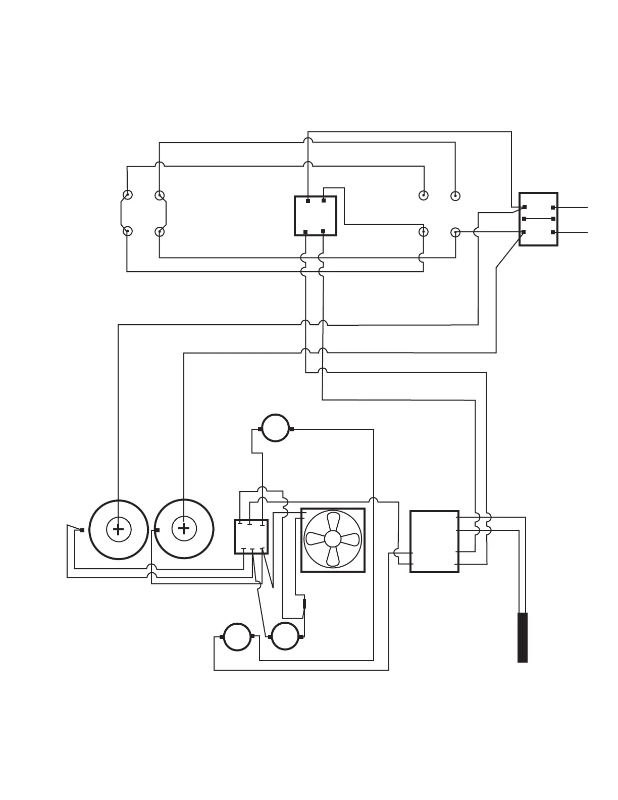
B121 220V WIRING DIAGRAM
FOR 4 HEATING ELEMENTS
F.H.
F.H.
F.S .
F.L .
15 10 5
14 9 4
13 8 3
12 7 2
11 6 1
SSR
2 1
T.S.
H.L.
FAN
CONTROLLER
THERMOCOUPLE
YELLOW
RED

Related product manuals