EasyManua.ls Logo

PEGASUS TECHNOLOGY GRTD-TH3 - Connection Diagram for Parallelism of Generators; Equipments Supplied with the Regulator (Standard Kit)

PEGASUS TECHNOLOGY GRTD-TH3
36 pages
Print Icon
To Next Page IconTo Next Page
To Next Page IconTo Next Page
To Previous Page IconTo Previous Page
To Previous Page IconTo Previous Page
Loading...
www.pegasustech.com.br 25
Atenção
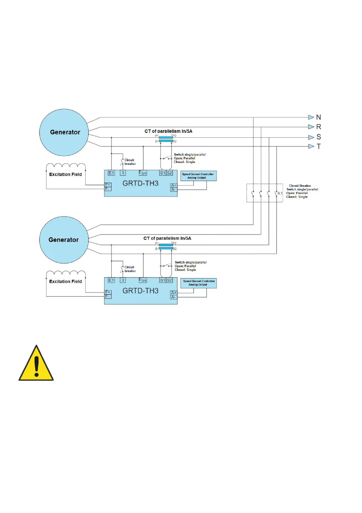
CONNECTION DIAGRAM FOR PARALLELISM OF GENERATORS
For parallel connection, the CT must be connected in the same phase as the generator sensing
voltage signal is connected. When you open the key that short circuits the CT of parallelism the
regulator will begin the compensation of reactive ones. The current input S1 and S2 must be inverted
if the compensation is occurring in reverse.
The connections shown in the figure 23 are to parallel connection in the generator operating range
of 160 to 300Vca.
1
Synchronous contactor, controlled by a synchronoscope.
For other connections consult PEGASUS;
Before making the connections check that the rated voltage of the equipment
corresponds to the coil or coil medium voltage of the generator.
With the single-phase voltage control the regulator perceives only variations between
the two phases which it is connected to. It is recommended to use a three-phase
connection
NOTE: The peripheral components are not supplied with the controller (K1, Line CT and others)
EQUIPMENTS SUPPLIED WITH THE REGULATOR (STANDARD KIT)
Installation, Operation and Maintenance Manual
NOTE: If more equipment is needed, it must be ordered separately.
Figure 23 Parallel Connection

Table of Contents