EasyManua.ls Logo

Perkins 103-06 - Wiring Diagrams

Perkins 103-06
80 pages
Print Icon
To Next Page IconTo Next Page
To Next Page IconTo Next Page
To Previous Page IconTo Previous Page
To Previous Page IconTo Previous Page
Loading...
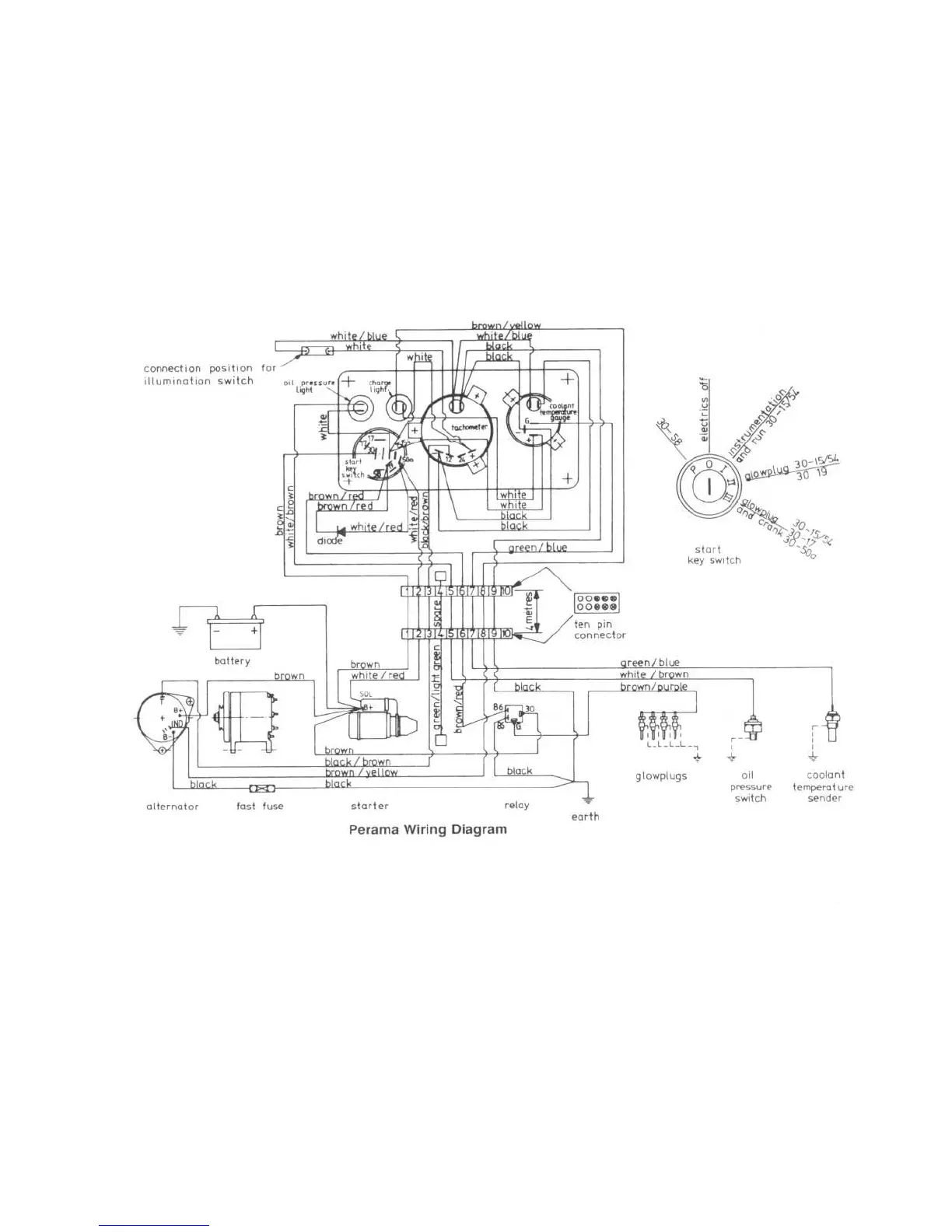
WIRING DIAGRAMS
-
Perama
-
103-06, 103-09, 103-10 15 amp alternator
-
103-09, 103-10 35 amp alternator

Related product manuals