EasyManua.ls Logo

Perkins M250C - Page 24

Perkins M250C
220 pages
Print Icon
To Next Page IconTo Next Page
To Next Page IconTo Next Page
To Previous Page IconTo Previous Page
To Previous Page IconTo Previous Page
Loading...
24 KENR9126
Troubleshooting Section
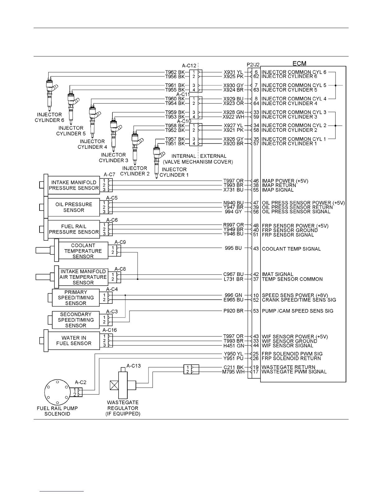
Schematic Diagrams
g02196693
Illustration 7
Sc
hematic Diagram for the engine Harness

Table of Contents

Other manuals for Perkins M250C

Related product manuals