EasyManua.ls Logo

Pfannenberg DTS 6401 - Unit Electrical Wiring Diagram

Pfannenberg DTS 6401
76 pages
Print Icon
To Next Page IconTo Next Page
To Next Page IconTo Next Page
To Previous Page IconTo Previous Page
To Previous Page IconTo Previous Page
Loading...
ENG
Operating Manual | Attachment and Installation Cooling Units | Multi Controller (MC) 400 / 460 V, 3~ | 086100124 41/76
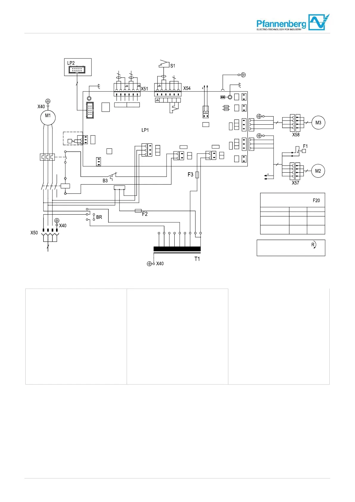
4.6.2 Electrical circuit diagram
Fig. 15: Circuit diagram
B3 Temperature protection switch
BR Plug-in bridge for mains voltage
adaptation
F1 High pressure switch
F20 Overload relay compressor
F2-F5 Fuse
K20 Contactor compressor
LP1 Controller
LP2 Display control unit (MC)
M1 Compressor
M2 Condenser fan (external)
M3 Evaporator fan (internal)
MM1 Multimaster/input
MM2 Multimaster/output
S1 Door contact
SK Fault signal contact (terminal 1,2)
T1 Transformer
TK Door contact/signal (terminal 4,5)
TS1 Temperature sensor (internal)
TS2 Temperature sensor (external)
X28 Service interface (TTL)
X40 Ground terminal contact
X50 Terminal strip mains connection
X51 Terminal strip multimaster control
X54 Terminal strip door contact + fault
indication
X57 Terminal strip fan (external)
X58 Terminal strip fan (internal)
X28
2 1
X1
X1
2 1
N
L
L
M1
N
X3
12
2 1
X10
F 1
1 2
X10
X4X4
2
L
M2
6
X40
X20
C11
X21
12
C12
F5
E 1
F4
X6
4
M3
L
1
23
N
NC
2
3
GNYE
1
3 2
PE
X5 X5
Störung/
failure/défaut
3
2 1
X54
SK
2 1
4 3
5
ok
SKTK TK
6 5 4 3
SK
1
X17
3 2
TS2
4
4
3
2
1
2
3
1
GNYE
4
3
2
1
1
GNYE
2
X40
PE
1
2
3
2
1
3
5
4
3
GNYE
2
P>
A
B
(F1)
(F1)
5
1,2 - Störmeldung / failure indication /
contacts ecd e défaut
4,5 - rkontakt / doorc ontact /
contactd e porte
Tür offen / dooro pen/ p orteo uvert
TS1
X15
X40
PE
Türg eschlossen / doorc losed / porte fermé
MM2
56
34
MM1
34 12
2 1
X51
2
2
X12
X1
10
230V
1
X8
3 2
3 2
TS2
X8
4
4
4
1
5
(X10) B
(X10) A
T1/5
T1
/1
T1
/ 3
T1
/ 2
T1
/4
PE
T1
/6
T1
/7
T1/ PE
T1
/1
T1
/8
Netzkabel/p ower cable/
3x440V-480V 60Hz
3x380V-420V 50Hz
câble de secteur
L1
max. 2,5mm²
AWG 14
44
L2
L3
PE
PE
1
21
L1
L2
1 2
L3
3
3
X3
X22 X22
Nur "Rechtsdrehfeld"/
O
nly "clockw
ise rotating field"/
S
implem
ent "Champ magnétique rotatif à droite".
2 1
2 1
NC
N
1
23
1
3
1
3
A1A1
A2
K20
95
96
3~
PE
U
V
W
2
1 (BK)
2 (BK)
3 (BK)
F20
2
4
6 14
135
3
1
T1
T2
T3
13
2
2
5
1
3 2
-X5
mise au point relaisd e surcharge
Siemens EATON
1,6A
Einstellungen für Überlastrelais
Settings for overload relay
Wert/value/
valeur DTx6401
M HReset
Wert/value/
valeur DTx6501
2A
1,6A
2A
086100124

Table of Contents

Other manuals for Pfannenberg DTS 6401

Related product manuals