EasyManua.ls Logo

Philips 43PUT6801 - Page 51

Philips 43PUT6801
190 pages
Print Icon
To Next Page IconTo Next Page
To Next Page IconTo Next Page
To Previous Page IconTo Previous Page
To Previous Page IconTo Previous Page
Loading...
IC Data Sheets
EN 51QM16.3A LA 8.
2016-Jun-08
Table 2-1
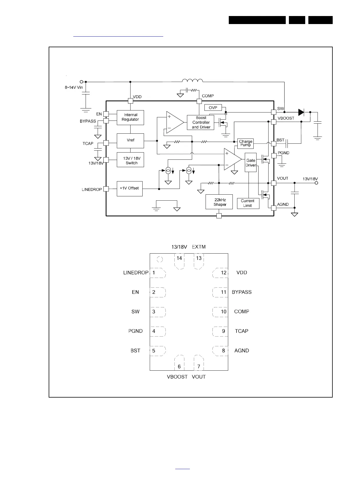
8.5 Diagram 10-9-15 DCDC-SYSTEM-POWER2, B15, MP8124GD (IC U751)
Figure 8-6 Internal block diagram and pin configuration
20030_305.eps
Block diagram
Pinning information
MP8124

Related product manuals