EasyManua.ls Logo

Philips A02U AA - Diagram B17, uPD64083 (IC7823)

Philips A02U AA
118 pages
Print Icon
To Next Page IconTo Next Page
To Next Page IconTo Next Page
To Previous Page IconTo Previous Page
To Previous Page IconTo Previous Page
Loading...
Circuit Descriptions, Abbreviation List, and IC Data Sheets
EN 116 A02U AA9.
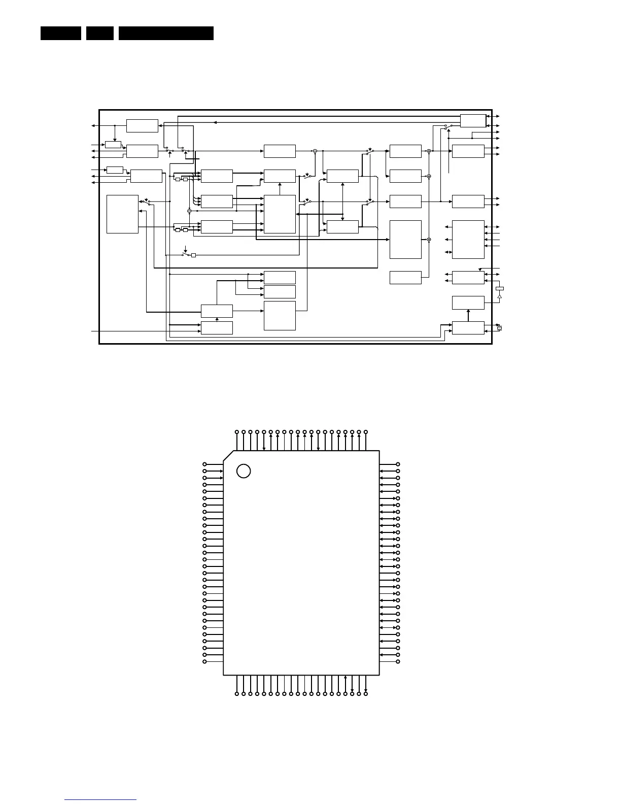
9.12.2 Diagram B17, uPD64083 (IC7823)
Figure 9-22 Internal block diagram and pin configuration
BPF
DYCO9-0
ACO
ACI
CSI
VRBY
VCLY
VRTY
AYI
XO
XI
FSCO
CKMD
CLK8
FSCI
RSTB
SLA0
SCL
SDA
ALTF
CBPC
CBPY
AYO
Bias
Y-Vertical
Aperture
compensation
Y-high freq.
peaking
Recursive
CNR
Delay
Recursive
YNR
Y-high freq.
coring
C-BPF&delay
Ad
j
ustment
ID-1
Encoder
Sync
Se
p
aration
Non-
standard
signal
detection
HV
Counter
WCV-ID
Decoder
I
2
C Bus
Interface
Motion
Detection
Chroma
Mixer
Line Comb
Filter
10bit
C-ADC
10bit
Y-ADC
Line Comb
Filter
Line Comb
Filter
10bit
Y-DAC
f
SC
Generator
10bit
f
SC
-DAC
8f
SC
PLL
10bit
C-DAC
Error
detection
4f
SC
4f
SC
8f
SC
EXADINS
YCNR
H
HH
HH
YCNR
KIL
YCNR
C
3
YCNR
MNNR
YCNR
MNNR
4M bit
Flame
Delay
Memory
VRBC
VRTC
ID-1
Decoder
EXTDYCOS
Clamp
DYCO
Select
EXTDYCO9-0
EXTALTF
Block Diagram
Pin Configuration (Top View)
100-pin plastic QFP (14 20)
PD64083GF-3BA
DVDDRAM
DVDDRAM
TEST15
TEST16
TEST17
TEST18
TEST19
DVDDIO
TEST20
DGND
TEST21
TEST22
TEST23
TEST24
DVDD
AVDD
XI
XO
AGND
FSCO
DVDD
TEST26
TEST25
AGND
ACI
VRBC
VRTC
AVDD
AVDD
VRTY
VRBY
VCLY
AYI
AGND
AGND
CBPY
AYO
ACO
CBPC
AVDD
DGND
TESTIC1
TESTIC2
TEST01
TEST02
TEST03
TEST04
TEST05
TEST06
TEST07
TEST08
TEST09
TEST10
TEST11
TEST12
TEST13
TEST14
EXTALTF
EXTDYCO0
EXTDYCO1
EXTDYCO2
EXTDYCO3
EXTDYCO4
EXTDYCO5
EXTDYCO6
EXTDYCO7
EXTDYCO8
EXTDYCO9
DGNDRAM
DGNDRAM
DGND
KIL
LINE
RPLL
CSI
ALTF
DYCO9
DYCO8
DYCO7
DYCO6
DYCO5
DYCO4
DYCO3
DYCO2
DYCO1
DYCO0
DVDD
NSTD
ST1
ST0
SDA
SCL
SLA0
RSTB
CLK8
DGND
CKMD
AVDD
FSCI
AGND
100
99
98
97
96
95
94
93
92
91
90
89
88
87
86
85
84
83
82
81
31
32
33
34
35
36
37
38
39
40
41
42
43
44
45
46
47
48
49
50
80
79
78
77
76
75
74
73
72
71
70
69
68
67
66
65
64
63
62
61
60
59
58
57
56
55
54
53
52
51
1
2
3
4
5
6
7
8
9
10
11
12
13
14
15
16
17
18
19
20
21
22
23
24
25
26
27
28
29
30
E_13950_064.eps
110304

Table of Contents

Related product manuals