EasyManua.ls Logo

Philips DVD755VR - Circuit Diagrams; System Circuit Diagram

Philips DVD755VR
154 pages
Print Icon
To Next Page IconTo Next Page
To Next Page IconTo Next Page
To Previous Page IconTo Previous Page
To Previous Page IconTo Previous Page
Loading...
3-79 3-80
System not working or
screen is abnormal
COMBI SCART MTK
'03. 3. 25 SR17444A
No Power on
Video signal not
appeared
Video signal Y
Video signal Color
Digitron all not display
System not working
Program download fail
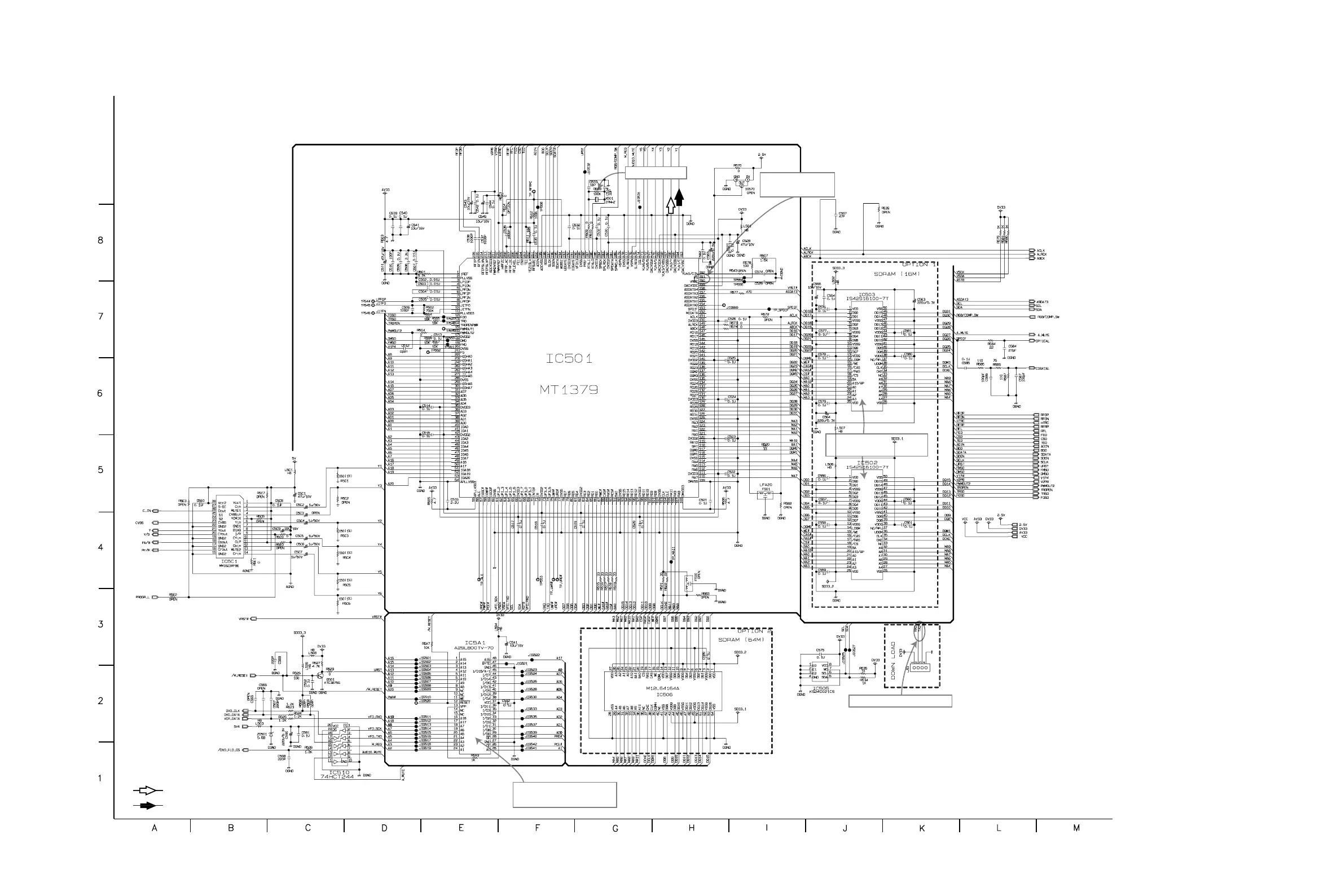
CIRCUIT DIAGRAMS
1. SYSTEM CIRCUIT DIAGRAM

Table of Contents

Related product manuals