EasyManua.ls Logo

Philips DVD755VR - Audio Circuit Diagram

Philips DVD755VR
154 pages
Print Icon
To Next Page IconTo Next Page
To Next Page IconTo Next Page
To Previous Page IconTo Previous Page
To Previous Page IconTo Previous Page
Loading...
3-83 3-84
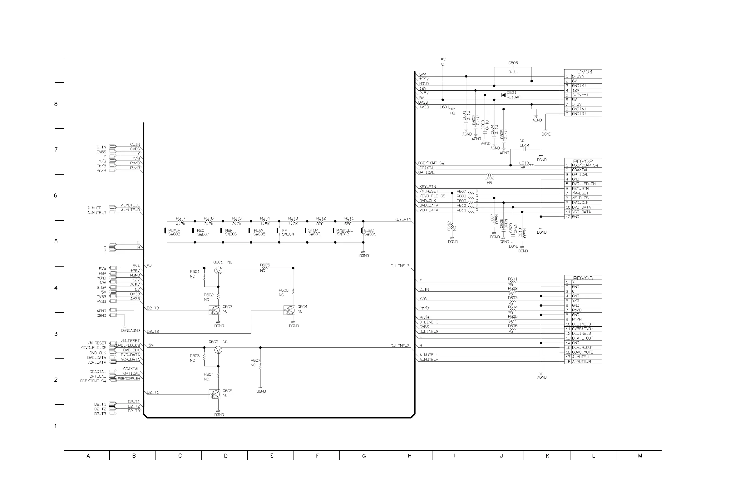
3. AUDIO CIRCUIT DIAGRAM
COMBI SCART MTK
'03. 3. 25 SR17447A

Table of Contents

Related product manuals