EasyManua.ls Logo

Philips DVP620VR/00 - Page 228

Philips DVP620VR/00
398 pages
Print Icon
To Next Page IconTo Next Page
To Next Page IconTo Next Page
To Previous Page IconTo Previous Page
To Previous Page IconTo Previous Page
Loading...
1-11-4
H9723BLH
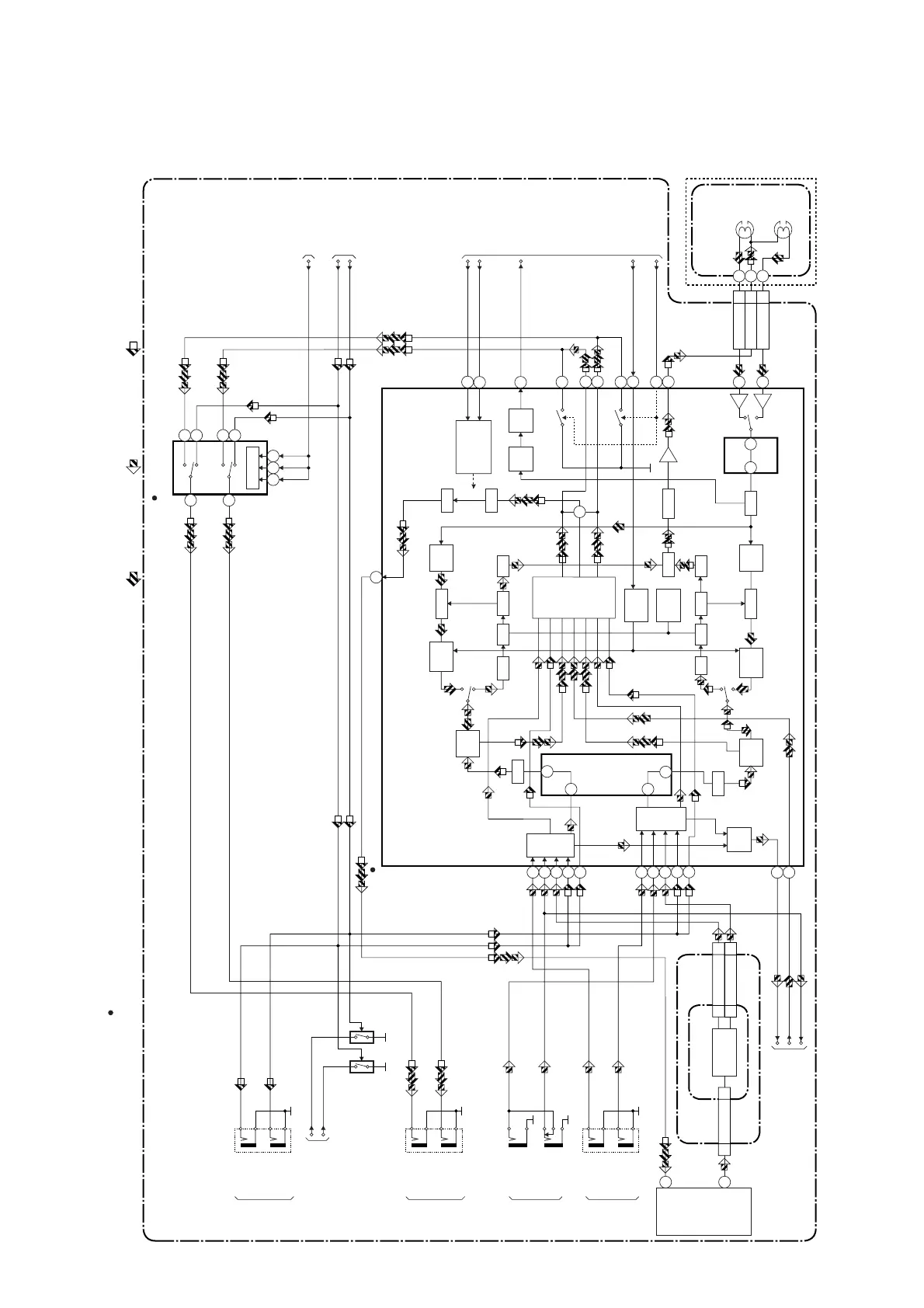
Hi-Fi Audio Block Diagram
46
45
4
5
53
R-CH
INSEL
L-CH
INSEL
IF SINAL
PROCESS
NOR
SW
SERIAL
DATA
DECODER
OUTPUT
SELECT
VCO
LPF
L-CH
BPF
R-CH
PNR
L-CH
PNR
ALC
ALC
DEV
COMP
SW
NOISE
VCO
LPF
LIM DEV
COMP
COMP
SW
NOISE
Hi-Fi
DET
DO
DET
MIX
R-CH
BPF
P
R
R
L
P
R
HOLD
PULSE
NOISE
DET
18 19
17
58
59
56
31
32
35
55
26
8
22
25
N-A-REC
AGC
54
N-A-PB
A-IN-F
Hi-Fi-H-SW
A-MUTE-H
A-MODE
TO AUDIO
BLOCK DIAGRAM
IIC-BUS SDA
IIC-BUS SCL
TO
SERVO/ SYSTEM
CONTROL BLOCK
DIAGRAM
TO
SERVO/ SYSTEM
CONTROL BLOCK
DIAGRAM
MAIN CBA
Hi-Fi-A(R) 7
Hi-Fi-COM 8
Hi-Fi-A(L) 9
CN251
IC451 (MTS/ SAP/ Hi-Fi AUDIO PROCESS/ Hi-Fi HEAD AMP)
REC-AUDIO SIGNALPB-AUDIO SIGNAL Mode : SP/REC
DVD AUDIO SIGNAL
AFV CBA
TU-AUDIO(R)
4
TU-AUDIO(L)
5
4
5
CN701CN1
CN701 CN1
TU701
(TUNER UNIT)
SIF
AUDIO
22
2
MUTE-ON
MUTE-ON
REAR
TO DVD VIDEO/AUDIO
BLOCK DIAGRAM
<DVD SECTION>
FRONT
JK756
A-IN(R)
A-IN(L)
A-OUT(L)
A-OUT(R)
JK751
IC751
(OUTPUT SELECT)
12
13
14
15
2
1
11109
SW CTL
VCR
DVD
VCR
DVD
OUTPUT-SELECT
DVD-A-OUT(R)
DVD-A-OUT(L)
TO DVD AUDIO
BLOCK DIAGRAM
<DVD SECTION>
44
47
6
49
63
Hi-Fi
AUDIO
(R)
HEAD
Hi-Fi
AUDIO
(L)
HEAD
CYLINDER
ASSEMBLY
(DECK ASSEMBLY)
Q771 Q770
" " = SMD
A-MUTE(L)
A-MUTE(R)
SIF
2
2
JK752
A-IN (L)
A-IN (R)
61
52
REAR
A-OUT(L)
A-OUT(R)
JK755
JK754
REAR
57
ALC
MU
+
48
3
2
LIM
www.freeservicemanuals.info

Table of Contents

Related product manuals