EasyManua.ls Logo

Philips DVP620VR/00 - Page 45

Philips DVP620VR/00
398 pages
Print Icon
To Next Page IconTo Next Page
To Next Page IconTo Next Page
To Previous Page IconTo Previous Page
To Previous Page IconTo Previous Page
Loading...
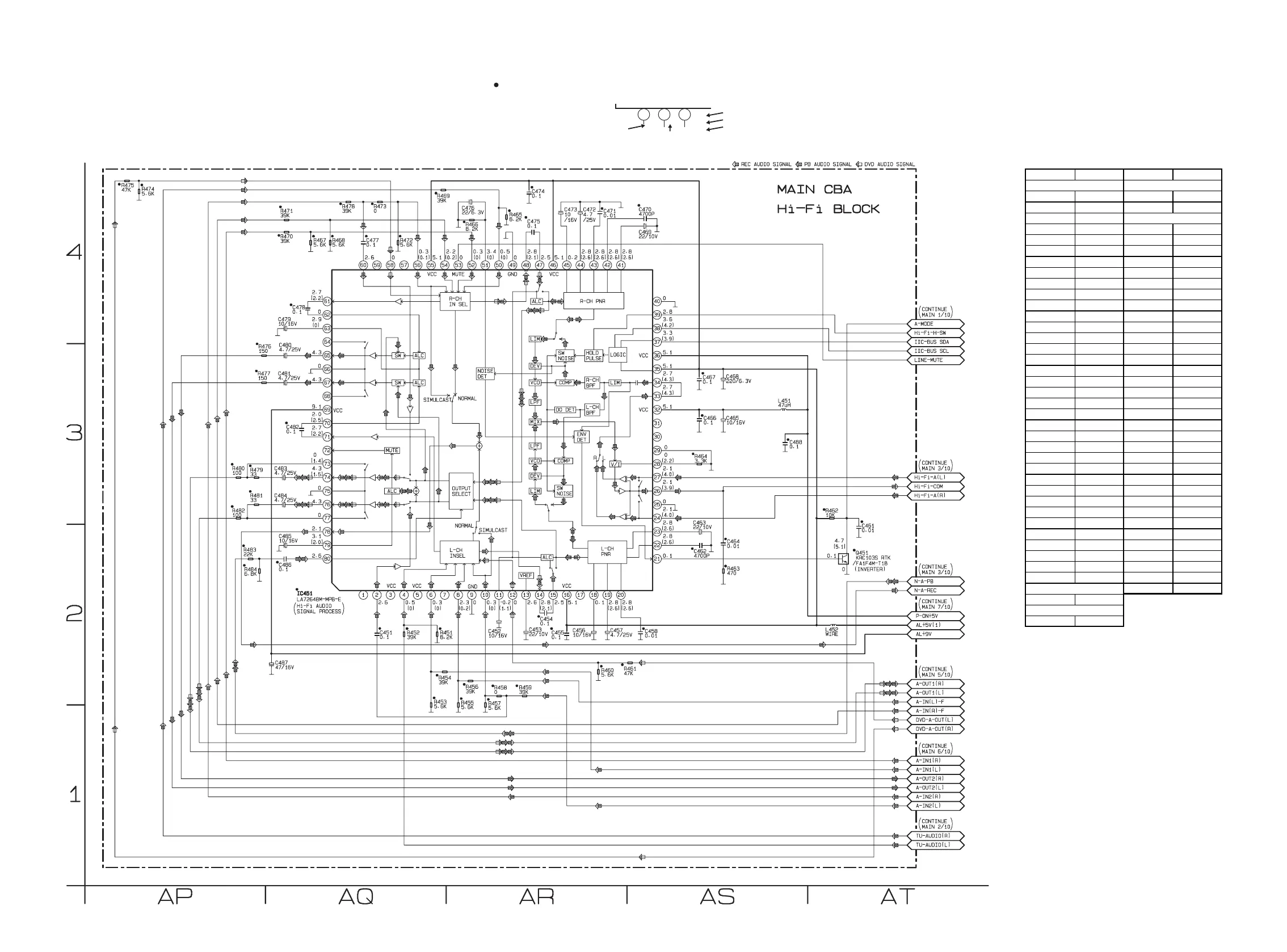
Main 8/10 Schematic Diagram < VCR Section >
1-12-21 1-12-22 H9720SCM8
ā€œ ā€œ = SMD
Voltage indications for PLAY, REC and DVD modes
on the Schematic Diagrams are as shown below:
1 2 3
5.0
(2.5)
<
0
>
~
5.0
THE SAME VOLTAGE FOR
PLAY,REC & DVD MODES.
INDICATES THAT THE VOLTAGE
IS NOT CONSISTENT HERE.
PLAY MODE
REC MODE
DVD MODE
MAIN 8/10 Schematic Diagram Parts Location Guide
Ref No. Position Ref No. Position
C451 AQ-2 L451 AS-3
C452 AR-2 L452 AT-2
C453 AR-2
C454 AR-2 R451 AQ-2
C455 AR-2 R452 AQ-2
C456 AR-2 R453 AQ-2
C457 AR-2 R454 AQ-2
C458 AS-2 R455 AR-2
C461 AT-2 R456 AR-2
C462 AS-2 R457 AR-2
C463 AS-2 R458 AR-2
C464 AS-2 R459 AR-2
C465 AS-3 R460 AR-2
C466 AS-3 R461 AR-2
C467 AS-3 R462 AT-3
C468 AS-3
R463
AS-2
C469 AS-4 R464 AS-3
C470 AS-4 R465 AR-4
C471 AR-4
R466
AR-4
C472 AR-4 R467 AQ-4
C473 AR-4 R468 AQ-4
C474 AR-4 R469 AQ-4
C475 AR-4 R470 AQ-4
C476 AR-4
R471
AQ-4
C477 AQ-4 R472 AQ-4
C478 AQ-3 R473 AQ-4
C479 AQ-3 R474 AP-4
C480 AQ-3 R475 AP-4
C481 AQ-3 R476 AP-3
C482 AQ-3 R477 AP-3
C483 AQ-3 R478 AQ-4
C484 AQ-3 R479 AP-3
C485 AQ-2 R480 AP-3
C486 AQ-2 R481 AP-3
C487 AQ-2 R482 AP-3
C488 AS-3
R483
AP-2
R484
AP-2
IC451
AQ-2
Q451
AT-2
IC
RESISTORS
COILSCAPACITORS
TRANSISTOR
www.freeservicemanuals.info

Table of Contents

Related product manuals