EasyManua.ls Logo

Philips EasyKey 7300 - Exploded Views

Philips EasyKey 7300
30 pages
Print Icon
To Next Page IconTo Next Page
To Next Page IconTo Next Page
To Previous Page IconTo Previous Page
To Previous Page IconTo Previous Page
Loading...
4
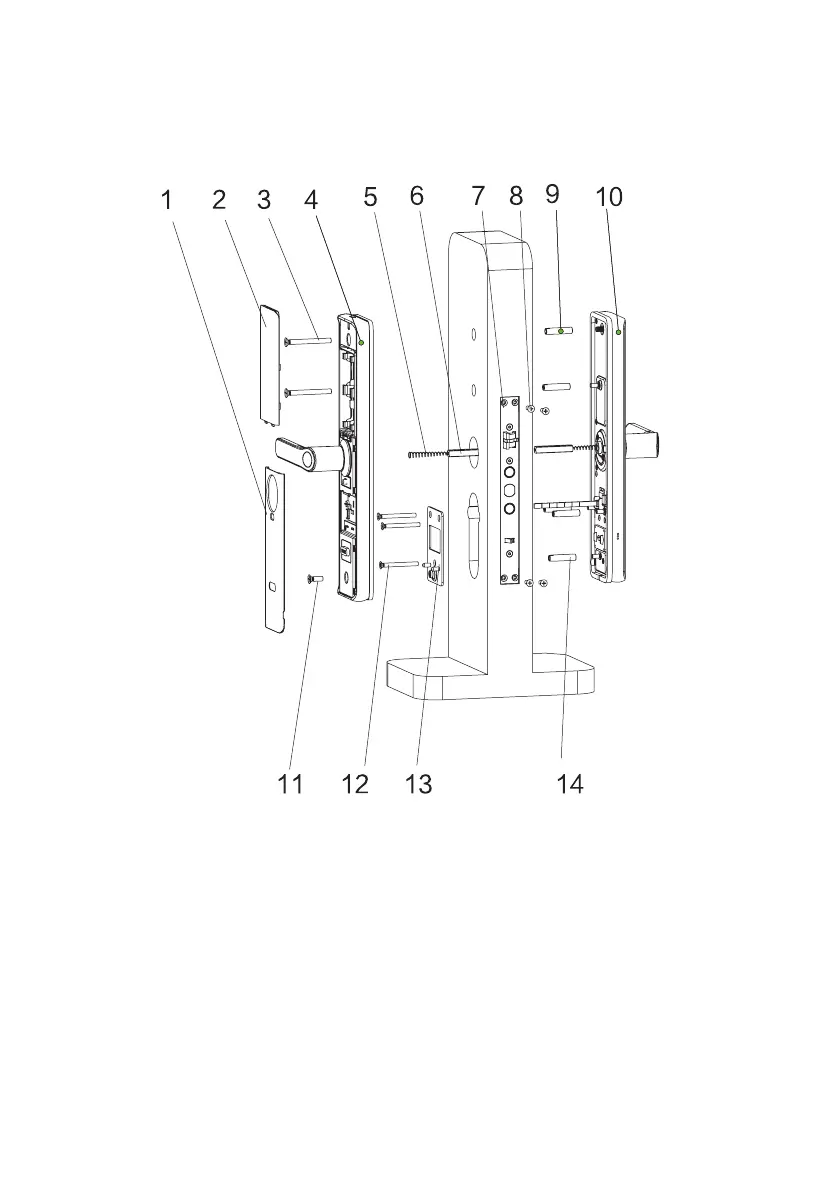
1. Inner escutcheon
bottom part (x1)
2. Battery cover(x1)
3. M6 xed screw (x2)
4. Inner escutcheon(x1)
5. Square shaft
compressed spring (x2)
6. Square shaft (x2)
7. Mortise(x1)
8. Fixed screw (x4)
9. M6 connecting
screw tube (x2)
10. Outer escutcheon(x1)
11.M6 xed screw (x1)
12.M5 xed screw (x3)
13. Mounting plate (x1)
14. M5 connecting
screw tube (x3)
Exploded Views

Related product manuals