EasyManua.ls Logo

Philips EM5.1E - Page 81

Philips EM5.1E
134 pages
Print Icon
To Next Page IconTo Next Page
To Next Page IconTo Next Page
To Previous Page IconTo Previous Page
To Previous Page IconTo Previous Page
Loading...
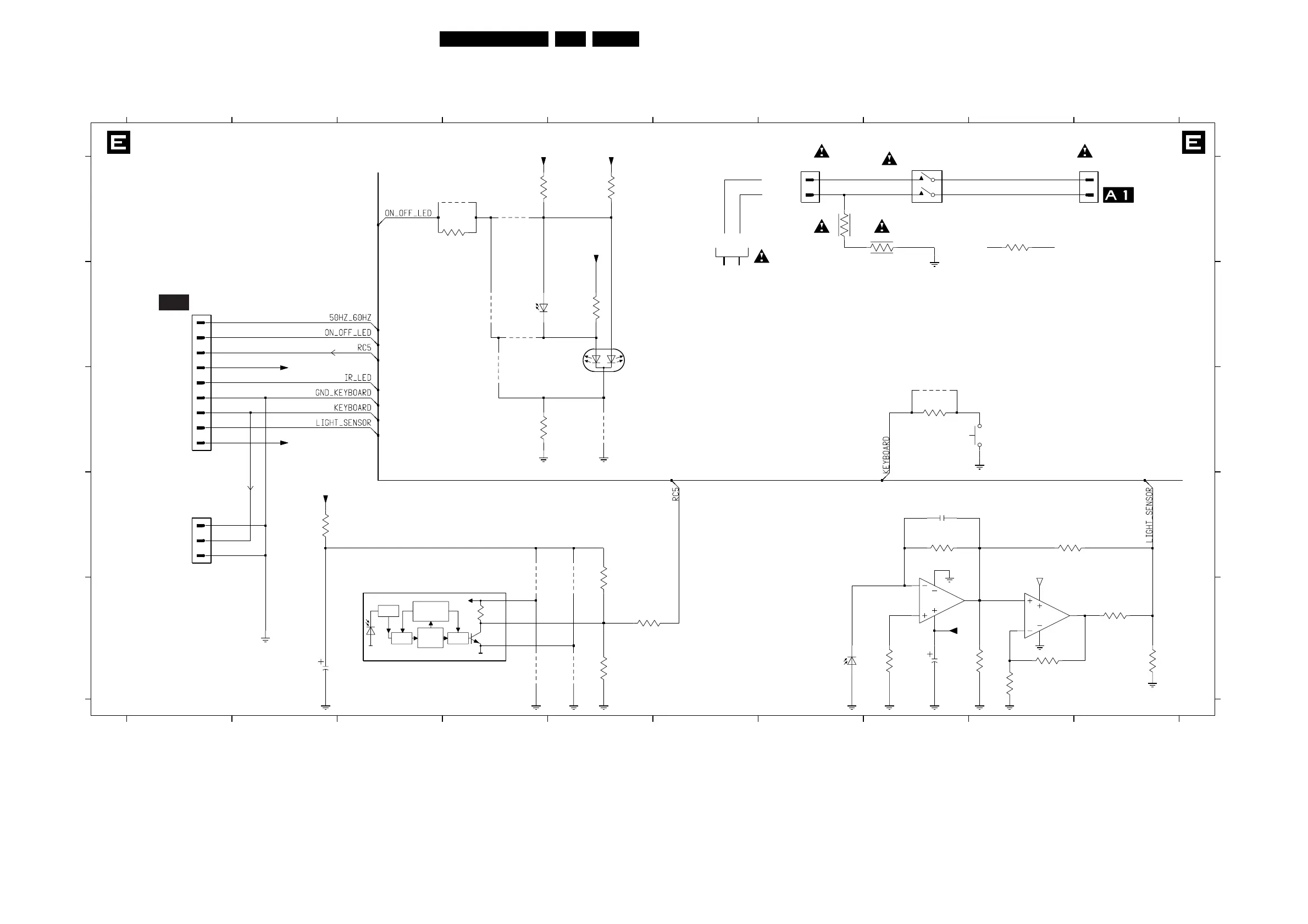
Circuit Diagrams and PWB Layouts
81EM5.1E 7.
Main Switch Panel (PV2 Styling)
PASS
CTRL
CIRCUIT
AGC
INP
PIN
DEM
BAND
Mains Switch Panel
50HZ_60HZ
ROHM RECEIVER
*
MAINS SWITCH
MONOCOLOR
54321
SENSOR
MAINS
IR_LED
LIGHT
KEYBOARD
1946 OF
FRONT
FROM/TO
**
GND_KEYBOARD
3075 E10
3074 D9
0201 A7
E
D
C
B
A
E
D
C
B
RECEIVER
1505 OF
TACT SWITCH
5V STANDBY
9051 C4
9052 B4
9053 B4
9054 A4
9055 A4
RC5
ON_OFF LED
3073 E9
3072 E9
3071 D8
3070 E8
3054 A4
3053 A4
LIGHT_SENSOR
BICOLOR
TO LSP
MG / EMGS
IN
AC
178 - 250V
3050 C4
3051 B5
3052 A5
330R
3040
3073
10K
7070-A
LM358D
1
2
0202
1
2
3GND
4
M1 M2
5
1
1040
13
24
56
*
9043
*
SKQNAB
1010
1
2
3
3053
560R1K
3050
2070
220n
OUT
2VS
TO
3M3
3030
9041
8910
12345678910
A
8V6
N.C.
0202 A10 3078 E10
3079 E9
3999 A9
6050 B4
6051 B5
6070 E7
7070-A D8
7070-B E9
9010 C8
9040 E4
9041 E4
9042 E5
9043 E5
9050 C5
only for AP
0241 B1
0245 D1
1010 C8
1031 A8
1040 E3
2040 E2
2070 D8
2071 E8
3010 C8
3030 A7
3037 A8
3040 D2
3041 E5
3042 E5
3043 E5
67
3M3
3037
9010
0201
2040
100u
6K8
**
3042
9052
9051
9054
*
330R
3051
330R
3052
9053
*
3
2
1
8
4
6050
TLDR5400
13
560R
3010
3071
330K
10K
3041
**
6051
TLUV5300
13
2
3072
1K
0241
1
2
3
4
5
6
7
8
9
RED GREEN
100R
3043
9042
3070
330K
9050
4K7
3075
8V6
3074
4K7
8V6
3054
100R
9055
9040
2071
10u
0245
7070-B
LM358D
5
6
7
8
4
6070
BPW46
3999
1K
1031
SDKV
3K3
3079
3078
1K
5V_STANDBY
5V_STANDBY
8V6
5V_STANDBY
8V6
5V_STANDBY
CL 26532086_006.eps
050702
A10

Related product manuals