EasyManua.ls Logo

Philips EM5.1E - Page 84

Philips EM5.1E
134 pages
Print Icon
To Next Page IconTo Next Page
To Next Page IconTo Next Page
To Previous Page IconTo Previous Page
To Previous Page IconTo Previous Page
Loading...
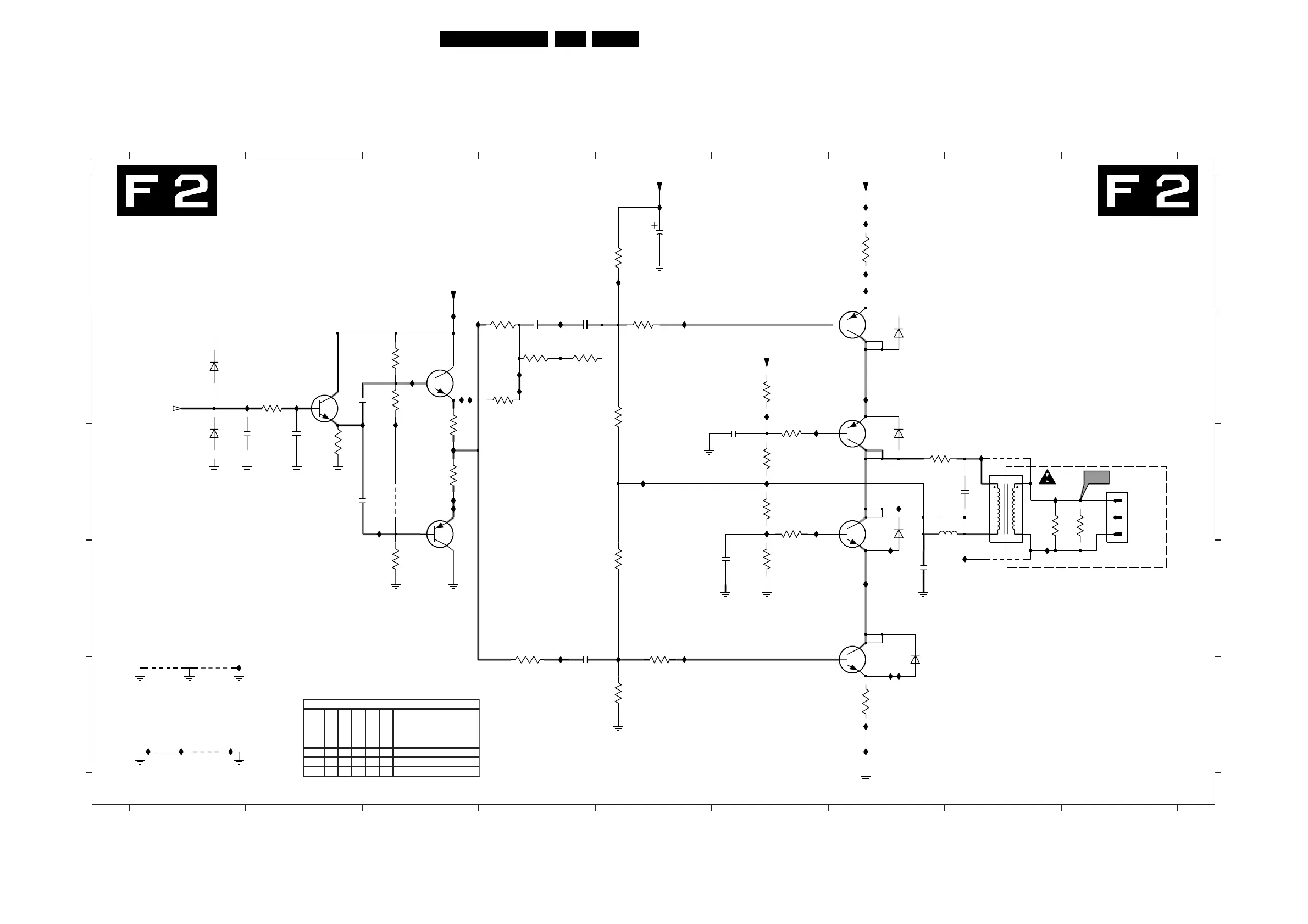
84EM5.1E 7.
Circuit Diagrams and PWB Layouts
CRT/ Auto SCAVEM Panel (FL11 Styling)
TO
I188 D1
I189 E1
I190 D8
I144 C6
I145 D6
I147 E5
I148 C8
I149 B3
I150 A7
I151 A7
I152 E7
I153 E7
I155 E1
I157 E4
I158 B4
I161 A7
I162 E7
I163 E7
I167 D7
I175 C7
I177 B3
I178 C3
I179 A5
I180 B3
I181 B3
I182 B3
I183 B4
I184 B4
I185 C3
I186 C3
I187 C3
SCAVEM
I129 D8
I130 A7
I131 B7
I132 B6
I133 B2
I134 C6
I135 C3
I136 A5
I137 B1
I138 C6
I139 B5
I140 D3
I141 D5
I142 C5
I143 D7
7414 A7
7415 D7
7422 B2
7427 B3
7428 C3
7429 C7
7430 C7
9311 D8
9312 C8
9406 C8
9407 E1
9408 E1
9409 C3
9410 E1
I127 E1
I128 C8
150V
3460 D5
3465 C7
3471 C6
3473 A7
3474 D3
3478 E7
3488 C3
3489 C3
3492 B4
5300 D8
5301 C8
6401 B7
6402 E7
6403 C7
6404 C7
6431 C1
6432 B1
CRT AUTOSCAVEM
3410 A5
3411 B5
3412 D5
3413 E5
3416 C6
3417 C6
3422 D4
3423 B4
3424 B4
3425 B4
3448 B6
3449 C6
3451 C2
3453 B3
3454 D6
3456 B3
3458 B5
3459 B2
3310 C9
3356 C8
150V
FROM F1
1940
1483 C9
2410 C2
2411 B2
2420 B4
2428 D6
2430 C1
2431 C2
2435 D7
2436 A5
2437 D4
2438 B4
2439 B6
2445 C8
7429
BCP56
3460
22R
I133
2435
22n
I135
3411
56K
I129
I175
GND_Y
I180
9410
I132
GND_XGND_X
56K
3412
110
3
56
9406
4R7
3423
5300
S13974
I163
I157
BAS316
6404
I162
3K3
3456
4R7
3422
I142
I145
BAS316
6403
1R
3473
I158
1
2
3
GND_RGB
I128
1483
2445
10p
I167
100R
3465
I179
GND_X
22u
2436
BCP53
7430
I144
1K2
3471
GND_X
I137
3410
470R
GND_Y
I143
8204_000_6570.3
I185
I187
I184
I186
I183
7428
BC857B
I182
I139
2M2
3424
9409
BAS316
6401
GND_Y
22n
2439
GND_X
I151
BAS316
6402
GND_Y
I138
22K
3454
I131
I134
I161
I148
1R
3478
GND_Y
22n
2411
22n
2428
GND_Y
9311
RES
3449
I141
1K2
18K
34163417
18K
3451
1K
GND_X
10R
3489
I147
9312
RES
GND_X
10p
2431
7414
BCP53
2M2
3425
BAS316
6432
BAS316
GND_Y
GND_X
SC3
6431
I188
9408
7422
BFS20
I177
10K
3474
RES
22n
2410
RES
2430
3p3
3310
1K0
I153
BCP56
I190
I155
7415
I130
I149
1K0
3356
I136
3448
22K
I181
I189
I140
100R
3459
5301
RES
BC847B
7427
I127
3453
10K
RES
3488
4R7
9407
RES
3492
10R
470R
3413
I150
2437
2n2
I152
GND_X
2n2
2420
22R
3458
2n2
GND_Y
I178
2438
VSVM
Y-SCAVEM_In
VSVM
+8V-SVM
VSVM
CL 36532017_031.eps
140403
Item
28"WSRF
29"RF
32"WSRF
34"RF
36"WSRF
DESCRIPTION
5300 X X X Transformer
9310 X X Wire
9311 X X Wire
[F2]CRTautoscavem
987654321
987654321
A
B
C
D
E
A
B
C
D
E

Related product manuals