EasyManua.ls Logo

Philips H8 - Page 27

Philips H8
41 pages
Print Icon
To Next Page IconTo Next Page
To Next Page IconTo Next Page
To Previous Page IconTo Previous Page
To Previous Page IconTo Previous Page
Loading...
Page 25
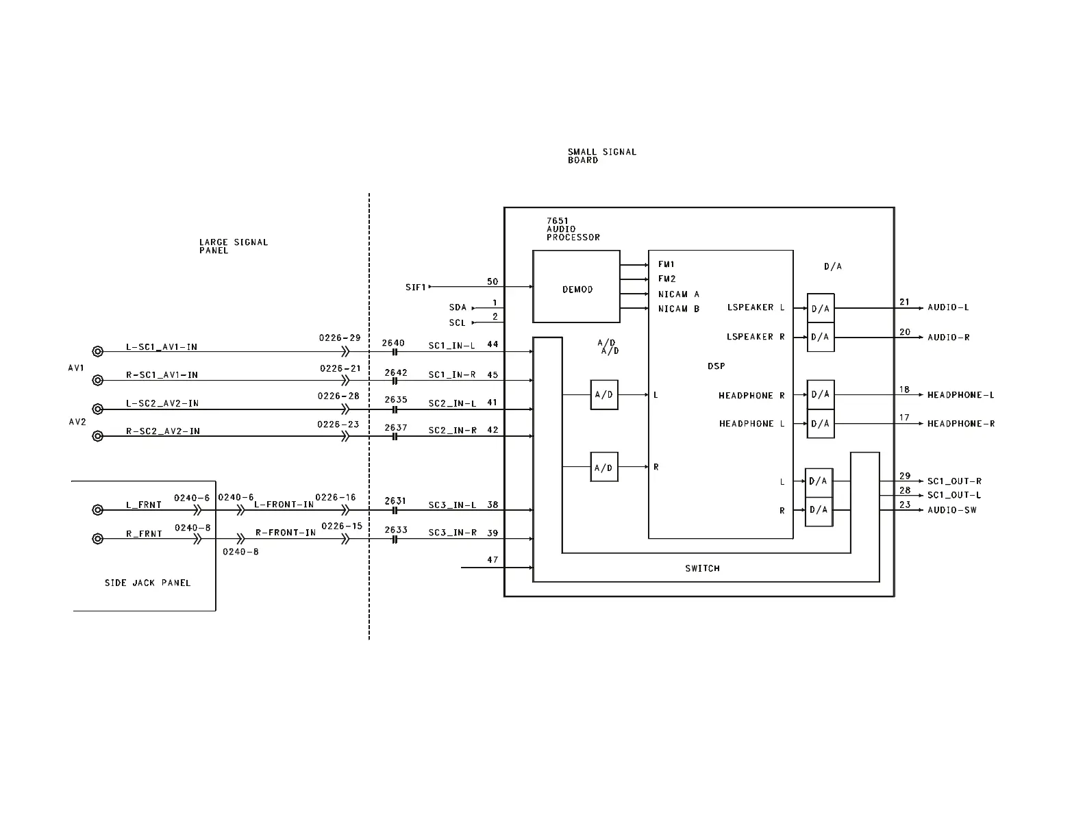
Figure 19 - Audio Signal Processing

Related product manuals