EasyManua.ls Logo

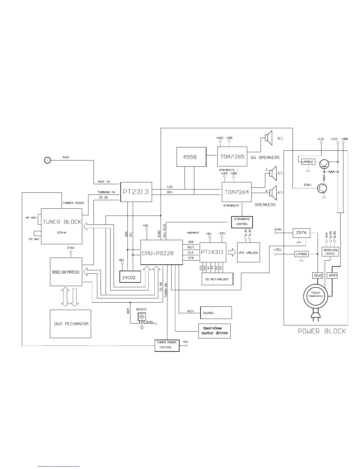
Philips MCD288/12 - System Block Diagram

Philips MCD288/12
39 pages
Print Icon
To Next Page IconTo Next Page
To Next Page IconTo Next Page
To Previous Page IconTo Previous Page
To Previous Page IconTo Previous Page
Loading...
4-1
SET BLOCK DIAGRAM
4-1

Other manuals for Philips MCD288/12

Related product manuals