EasyManua.ls Logo

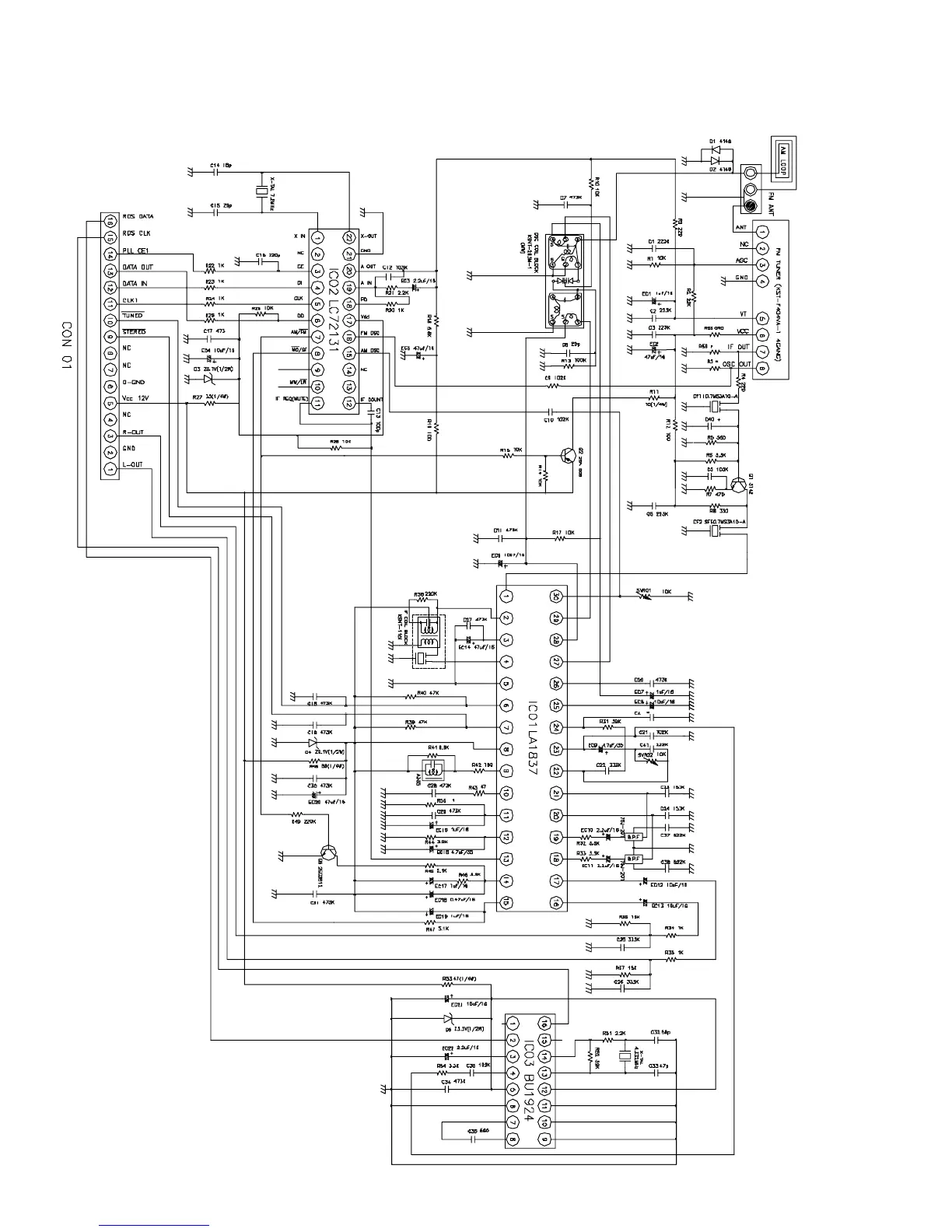
Philips MX1060D - Tuner Circuit

Philips MX1060D
59 pages
Print Icon
To Next Page IconTo Next Page
To Next Page IconTo Next Page
To Previous Page IconTo Previous Page
To Previous Page IconTo Previous Page
Loading...
7-2
TUNER CIRCUIT

Table of Contents

Related product manuals