EasyManua.ls Logo

Philips PM3350A - Page 101

Philips PM3350A
109 pages
Print Icon
To Next Page IconTo Next Page
To Next Page IconTo Next Page
To Previous Page IconTo Previous Page
To Previous Page IconTo Previous Page
Loading...
S-8
5
PLOTTING
AND
PBWTING
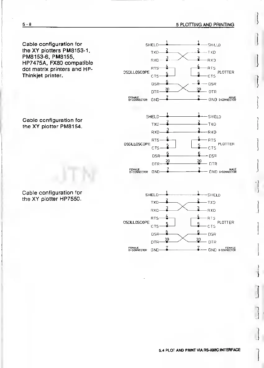
Cable
configuration
for
the
XY
plotters
PM8153-1,
PM8153-6,
PM8155,
HP7475A,
FX80
compatible
dot
matrix
printers
and
HP-
Thinkjet
printer.
Cable
configuration
for
the
XY
plotter
PM8154.
SHIELD-
aSCLLOSCOPE
—SHiLLD
OSCLLOSCOPE
TR
Cable
configuration
for
the
XY
plotter
HP7550.
S.4
PLOT
AND
PRINT
VIA
RS-S32CINTSIFACE

Related product manuals