EasyManua.ls Logo

Philips Q548.1E - Page 45

Philips Q548.1E
119 pages
Print Icon
To Next Page IconTo Next Page
To Next Page IconTo Next Page
To Previous Page IconTo Previous Page
To Previous Page IconTo Previous Page
Loading...
Circuit Descriptions
EN 45Q548.1E LA 7.
2009-Apr-03
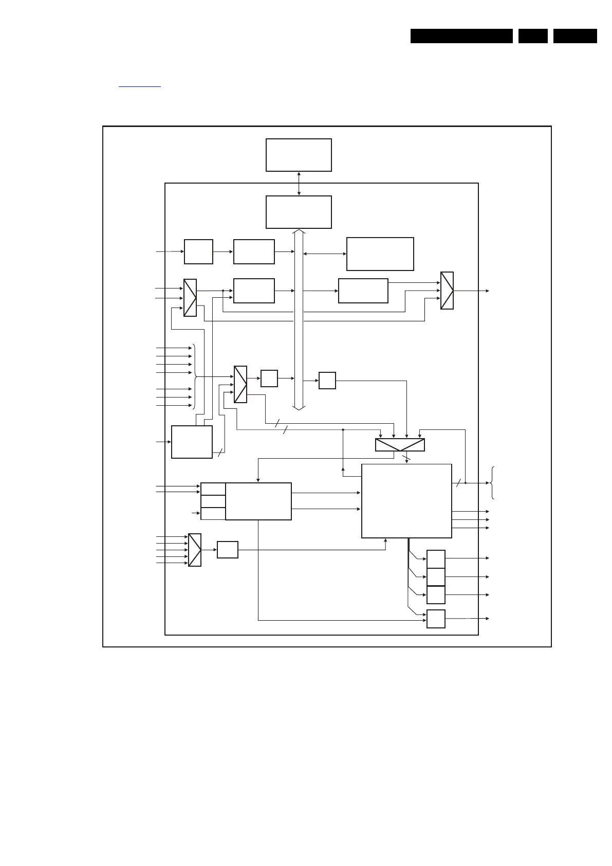
7.6.2 Audio Subsystem
Refer to Figure 7-11
for the main audio interfaces for the
PNX8543 and the audio signal flow between blocks and
memory.
Figure 7-11 PNX8543 audio flow diagram
The Audio Subsystem consist of the following blocks:
Analogue Audio Front End (AAFE) used to capture
Baseband Audio Inputs and to sample Secondary Sound
IF (SSIF) directly or via Low-IF input
HDMI Receiver interface block
SPDIF input block
Audio Input (AI) block
Audio Output (AO) block
Demodulation & Decoding (ASDEC) DSP for decoding all
analogue terrestrial TV sound standards
Audio Post-Processing (APP) block
Digital Audio decoder.
18440_204_090226.eps
090226
VMSP
ADC
MCU
DDR2-SDRAM
PNX8543x
HDMI_RX
CAI
SPDIF-IN
I
2
S
SPDIF
DigIF
ASDEC
(DEMODULATION
AND DECODING)
TM2270
(MPEG, AC-3, MP3
DECODER)
SPDIF-OUT
AO
AI
APP - AUDIO DSP
(POST PROCESSING)
2
DAC
2
DAC
2
DAC
2
DAC
DMA BUS
I2S-OUT-SD3
I2S-OUT-SD4
I2S-OUT-WS
I2S-OUT-SCK
I2S-OUT-OSC
Main L, R
HP L, R
SCART2 L, R
SCART1 L, R
HDMI
SPDIF-IN1
IF
SSIF
L, R
TS-IN
SPDIF-Out
SPDIF-IN2
I2S-OUT-SD1
I2S-OUT-SD2
I2S-IN-SD3
I2S-IN-SD4
I2S-IN-WS
I2S-IN-SCK
I2S-IN-OSC
I2S-IN-SD1
I2S-IN-SD2
SPDIF
ADC
4
4 × I
2
S
4
4 × I
2
S
XB3
XB4
from
XB4
fast SPDIF
XB1
XB2
4 × I
2
S

Table of Contents

Related product manuals