EasyManua.ls Logo

Philips ST-D777ES - Schematic Diagram - Power Section

Philips ST-D777ES
44 pages
Print Icon
To Next Page IconTo Next Page
To Next Page IconTo Next Page
To Previous Page IconTo Previous Page
To Previous Page IconTo Previous Page
Loading...
ST-D777ES
2626
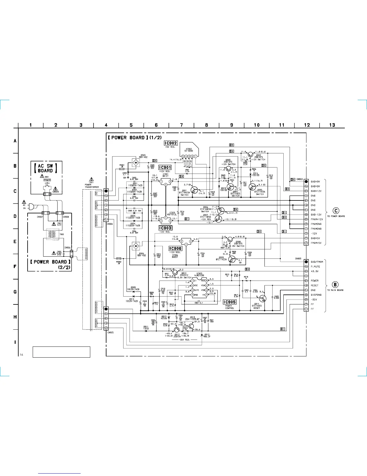
4-10. SCHEMATIC DIAGRAM POWER SECTION
Refer to page 33 for IC Block Diagram.
(Page 23)
(Page 22)
The components identified by mark 0 or dotted
line with mark 0 are critical for safety.
Replace only with part number specified.

Related product manuals