EasyManua.ls Logo

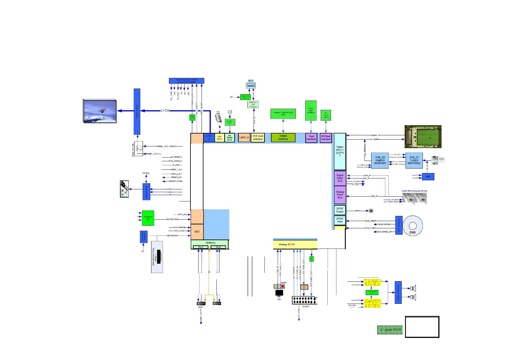
Philips VES1.1E - General Block Diagram

Philips VES1.1E
79 pages
Print Icon
To Next Page IconTo Next Page
To Next Page IconTo Next Page
To Previous Page IconTo Previous Page
To Previous Page IconTo Previous Page
Loading...
1.1
General
Block
Diagram
GPIO
D3K
Mstar
••
V
GA
H
D
IJI1
!
i
-
H
P
OE
re
cr-.
2XI i
'H
.O.U
D
I
O
AU
'
Block
D
i
a
g
r
am
V
1
.
1
Drawn
By
U
l
as
Dere
i
03
.
0
1
.
2
0
1
1

Table of Contents

Related product manuals