EasyManua.ls Logo

Philips VES1.1E - Page 78

Philips VES1.1E
79 pages
Print Icon
To Next Page IconTo Next Page
To Next Page IconTo Next Page
To Previous Page IconTo Previous Page
To Previous Page IconTo Previous Page
Loading...
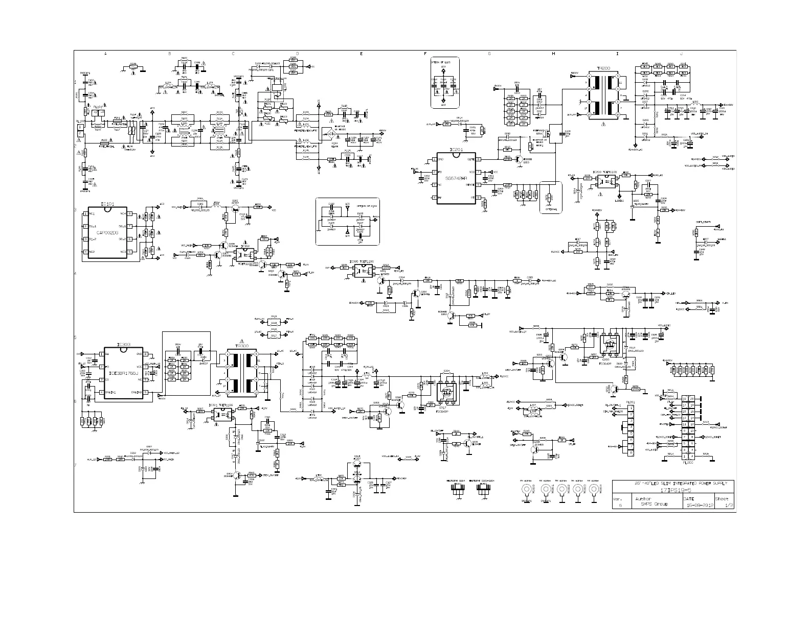
27.2 PSU

Table of Contents

Related product manuals