EasyManua.ls Logo

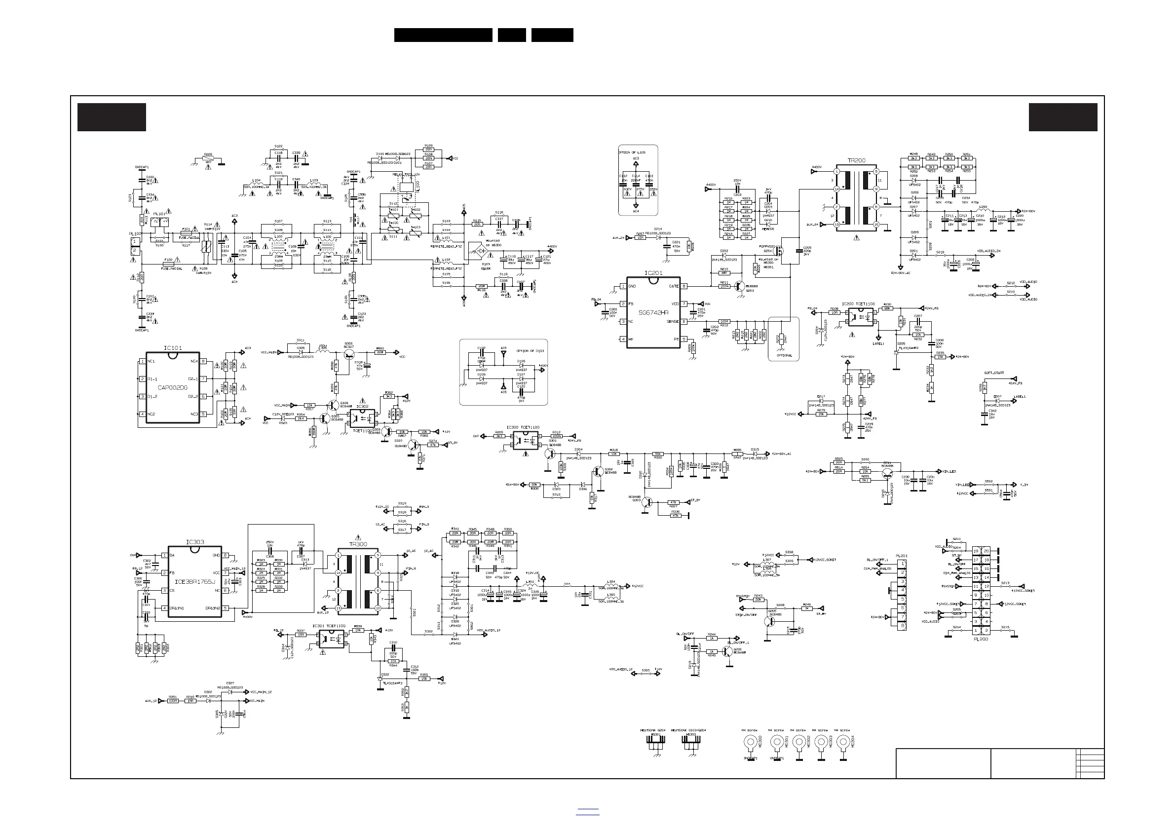
Philips VES2.2E LA - Circuit Diagrams and PWB Layouts; A 17 ips19-5 26 to 40 LED Slim Integrated Power Supply

Philips VES2.2E LA
72 pages
Print Icon
To Next Page IconTo Next Page
To Next Page IconTo Next Page
To Previous Page IconTo Previous Page
To Previous Page IconTo Previous Page
Loading...
Circuit Diagrams and PWB Layouts
EN 37VES2.2E LA 10.
2013-Jul-19
back to
div. table
10. Circuit Diagrams and PWB Layouts
10.1 A 17ips19-5 26" to 40" LED Slim Integrated Power Supply
10-1-1 A01
19420_500_130311.eps
130311
26" to 40" Slim Integrated Power Supply
A01 A01
2011-05-02
3
2722 171 9032
26" to 40" Slim Integrated
Power Supply

Table of Contents

Related product manuals