EasyManua.ls Logo

Phonocar VM 022 - Page 54

Phonocar VM 022
Print Icon
To Next Page IconTo Next Page
To Next Page IconTo Next Page
To Previous Page IconTo Previous Page
To Previous Page IconTo Previous Page
Loading...
54
55
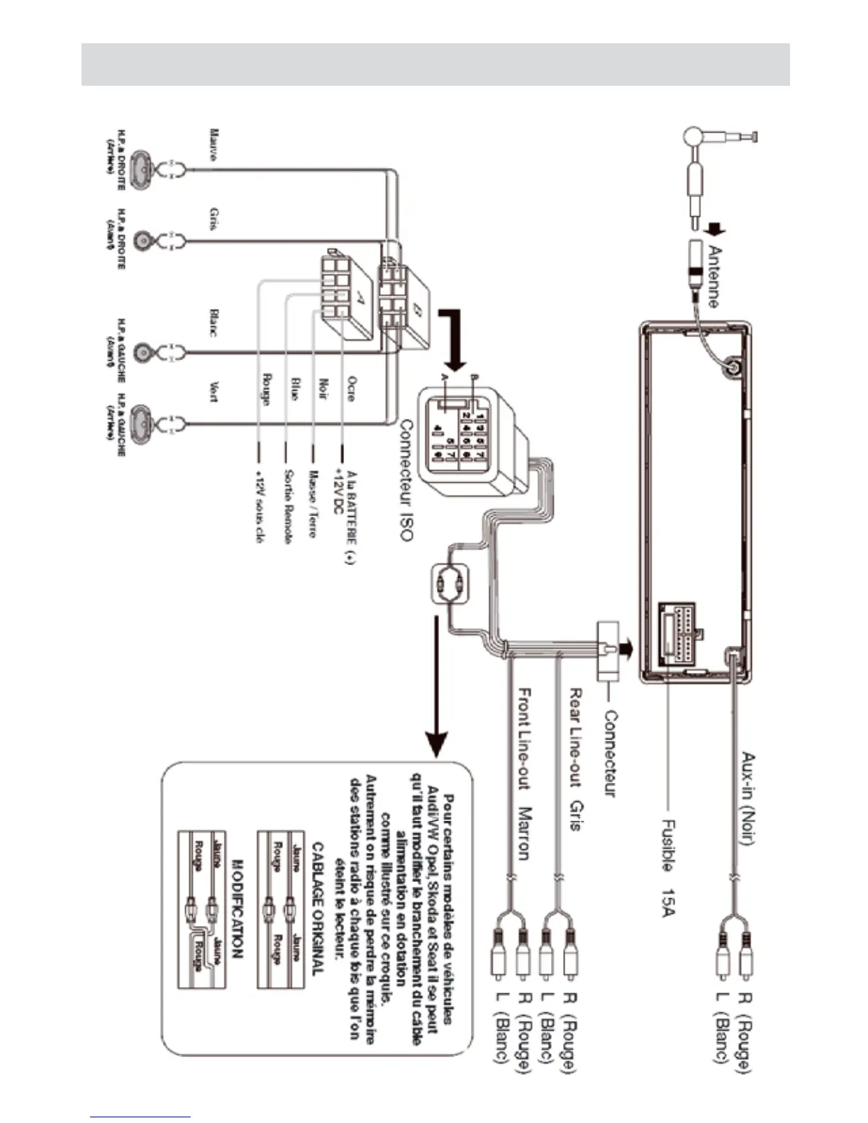
Connections électriques

Table of Contents

Related product manuals