EasyManua.ls Logo

PIAGGIO X9 Evolution 500 - Page 68

PIAGGIO X9 Evolution 500
150 pages
Print Icon
To Next Page IconTo Next Page
To Next Page IconTo Next Page
To Previous Page IconTo Previous Page
To Previous Page IconTo Previous Page
Loading...
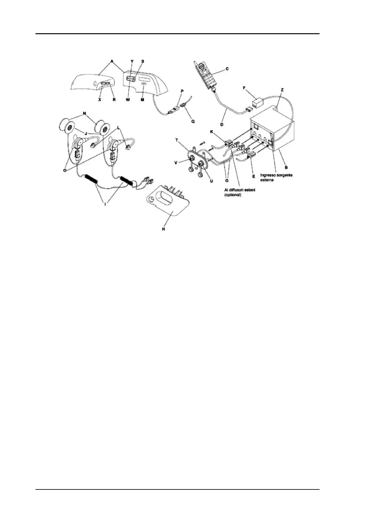
Captions
A = Satellite
D = Mobile phone cable
F = Telephone connector
H = Spark plug inspection port
J = Loudspeaker
L = Microphone
O = Headset clip
R = Volume button-
U = Passenger connection
X = Volume button +
B = Control unit
E = Control unit power supply connector
K = Vehicle control unit connector
M = MODE button
P = Satellite connector
S = Selection button
V = Pilot connection
Y = UP button
C = Mobile phone
G = Control unit audio connection cables
Electrical system X9 Evolution 500
ELE SYS - 68

Table of Contents

Other manuals for PIAGGIO X9 Evolution 500

Related product manuals