EasyManua.ls Logo

Pilz PSEN cs3.1p/M12 - Page 19

Pilz PSEN cs3.1p/M12
46 pages
Print Icon
To Next Page IconTo Next Page
To Next Page IconTo Next Page
To Previous Page IconTo Previous Page
To Previous Page IconTo Previous Page
Loading...
PSEN cs3.1p/M12
Operating Manual PSEN cs3.1p/M12
1003296-EN-09
| 19
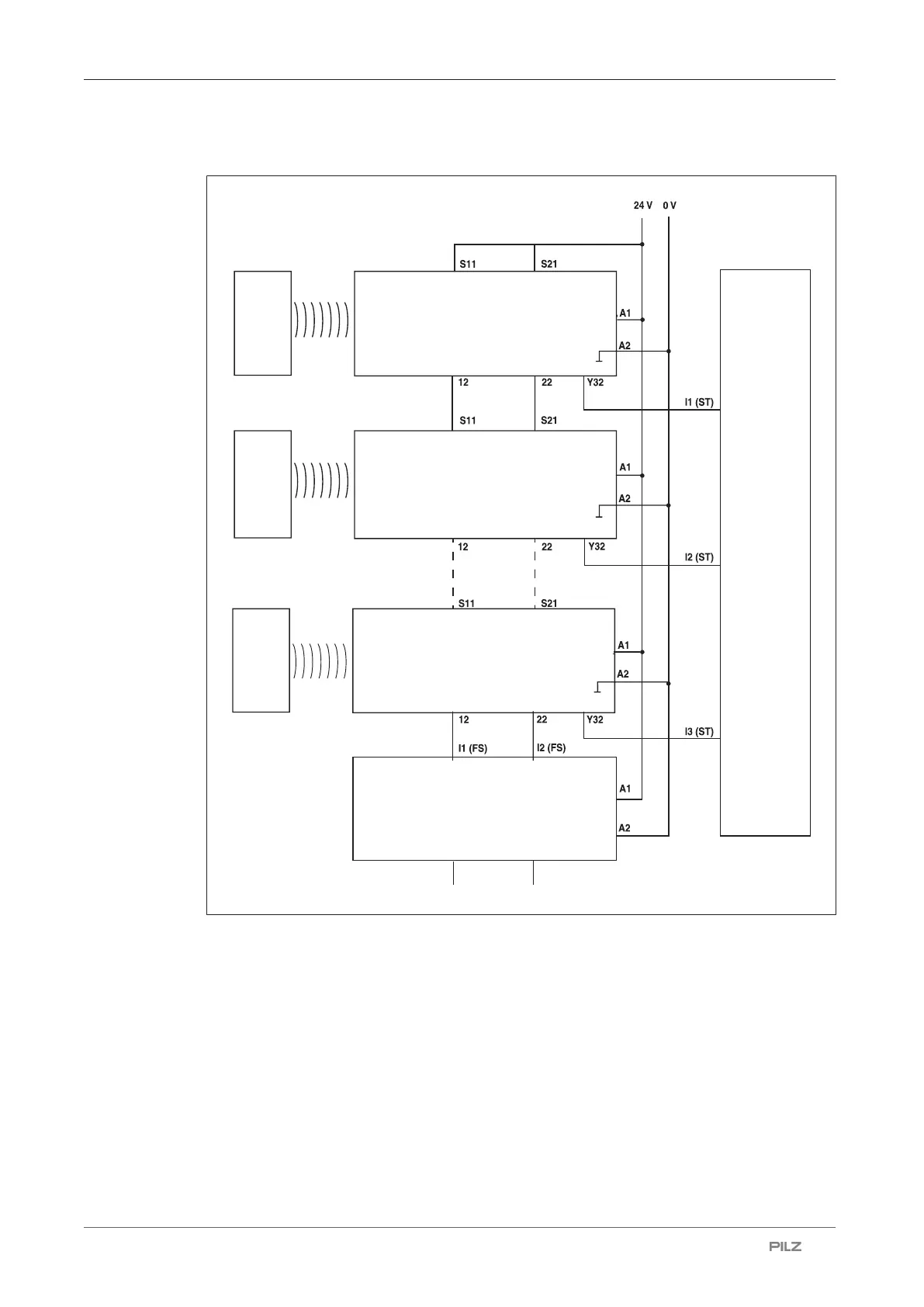
Connection diagram, series connection without SDD
FS: Failsafe
Actuator
Actuator
Actuator
Controller
Safety switch 1
Safety switch 2
Safety switch n
Evaluation device

Related product manuals