EasyManua.ls Logo

Pioneer VSA-E03 - Front and Power Switch Assembly Schematics

Pioneer VSA-E03
61 pages
Print Icon
To Next Page IconTo Next Page
To Next Page IconTo Next Page
To Previous Page IconTo Previous Page
To Previous Page IconTo Previous Page
Loading...
VSA-E03
14
A
B
C
D
1
23
4
1234
FRONT ASSY
(AWX7439)
B
POWER SW
ASSY
(AWX7222)
C
CN111
1/2
A
CN9371
2/3
Q
MASTER VOLUME
PDG254A
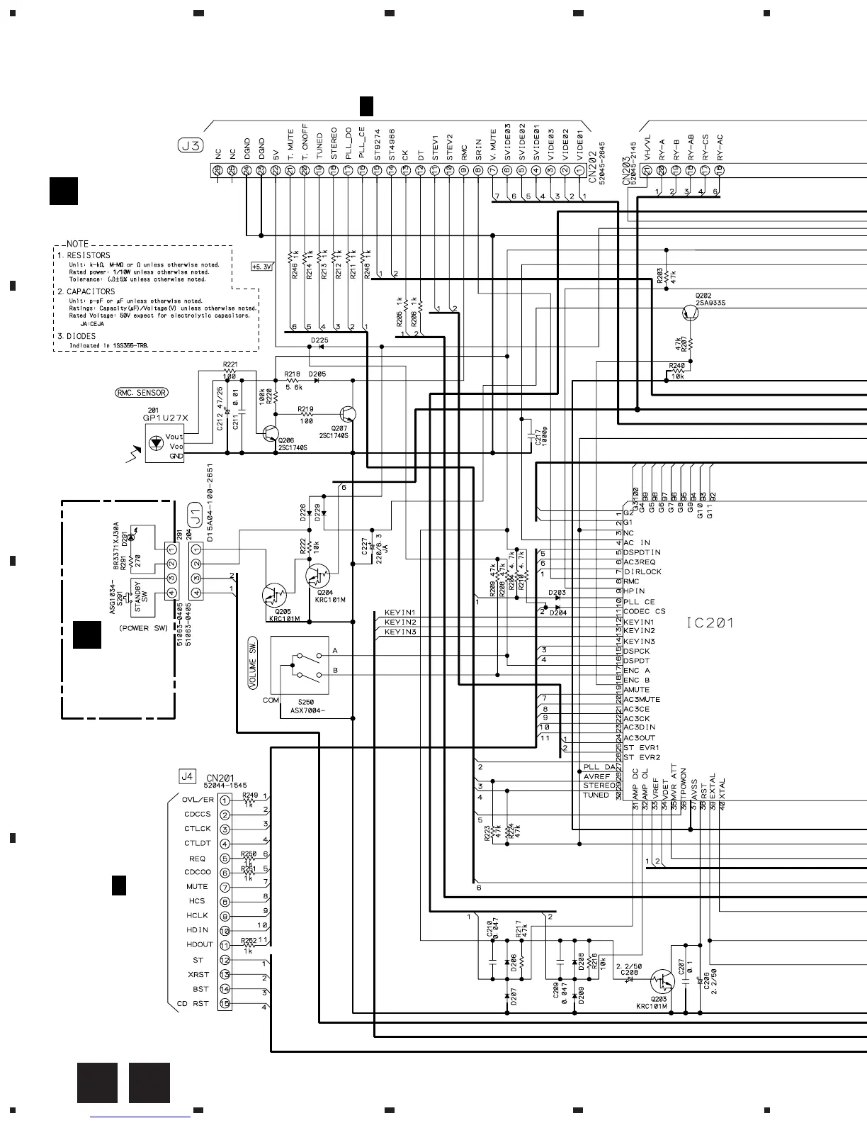
3.5 FRONT and POWER SW ASSYS
B C

Other manuals for Pioneer VSA-E03

Related product manuals