EasyManua.ls Logo

Pioneer VSA-E03 - Block Diagrams and Schematic Diagrams; Block Diagram Overview

Pioneer VSA-E03
61 pages
Print Icon
To Next Page IconTo Next Page
To Next Page IconTo Next Page
To Previous Page IconTo Previous Page
To Previous Page IconTo Previous Page
Loading...
VSA-E03
6
A
B
C
D
1
23
4
1234
29
1
2
5
5
42
14
5
8
18
57
31
TAPE2 OUT
OPT OUT
TAPE2 IN
34
35
36
37
40
41
31
A
Q
A
P
A
N
P
N
N
Q
A
Q
FUNC. SELECTOR
IC101
TC9274N
CODEC IC
IC9401
CS4226-KQ
Q
DSP
IC9321
MB86342B
Q
GAIN CHANGE
&
MIXING
IC9601
TC9164AF
DIGITAL INPUT
IC9151
TC74ACT151AF
Q
ANALOG INPUT
IC9201
NJM2100M
BUFFER
IC109
UPC4570G2
N
FUNC. SELECTOR
IC501
NJM2296D
5
P
O
O
O
S-Y FUNC. SELECTOR
IC551
NJM2296D
1
11
7
5
9
3
7
9
3
11 1
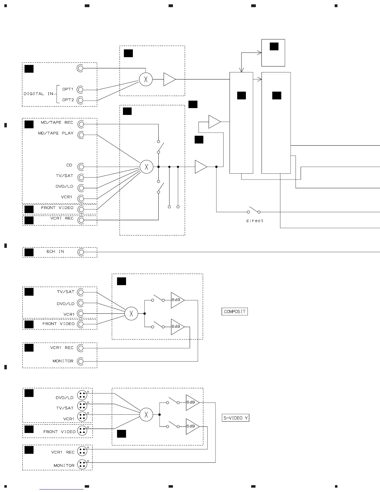
3. BLOCK DIAGRAM AND SCHEMATIC DIAGRAM
3.1 BLOCK DIAGRAM

Other manuals for Pioneer VSA-E03

Related product manuals