EasyManua.ls Logo

Pioneer VSA-E03 - Page 7

Pioneer VSA-E03
61 pages
Print Icon
To Next Page IconTo Next Page
To Next Page IconTo Next Page
To Previous Page IconTo Previous Page
To Previous Page IconTo Previous Page
Loading...
VSA-E03
7
A
B
C
D
5
678
5
6
7
8
P
O
O
A
A
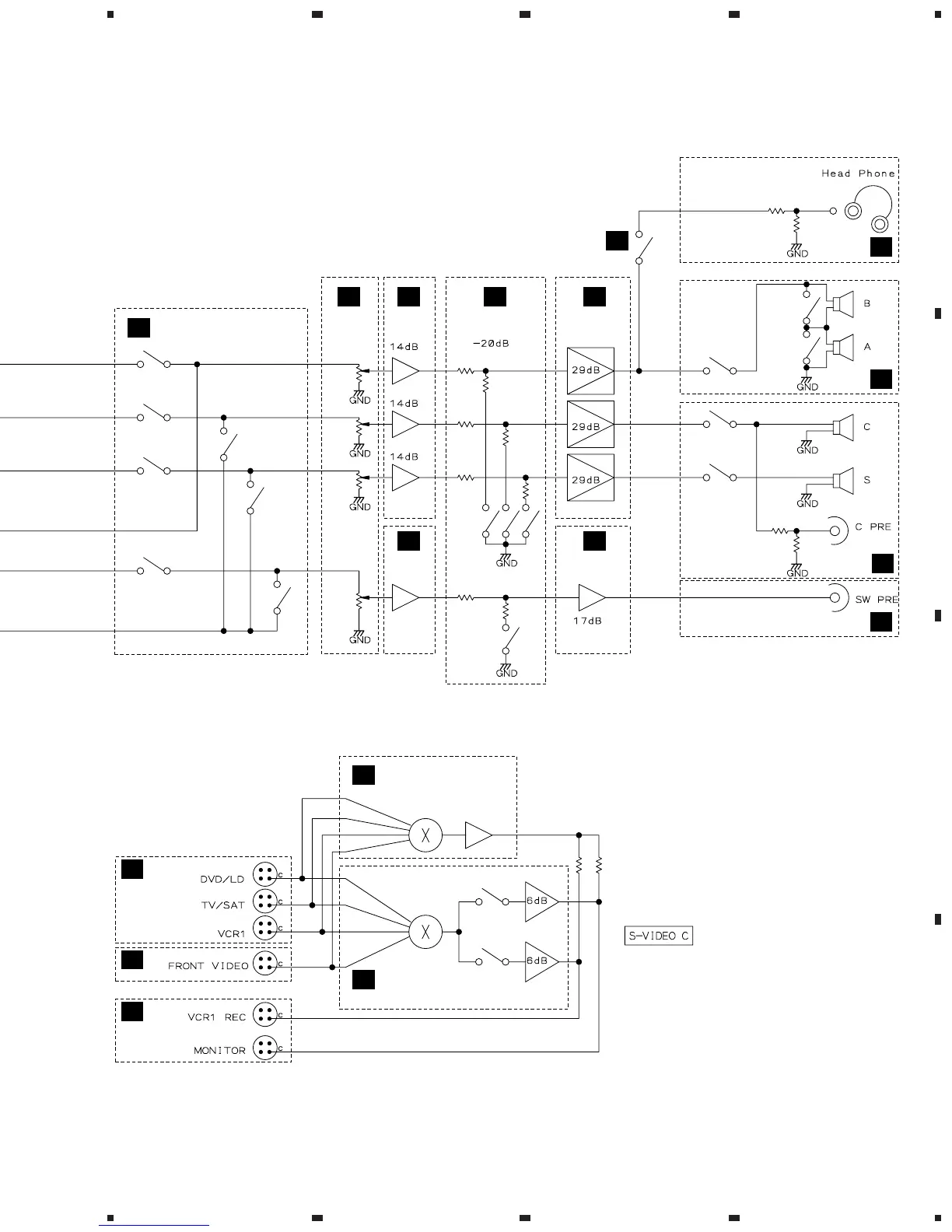
DSP/6ch IN SELECTOR
IC102, IC103
LC4966
IC306
IC304
Q408
Q1453
Q1351
Q458
IC305
IC304
IC303
IC301
IC302
IC301
ELECTRIC
VOLUME
LC7536M
A
14dB PRE
UPC4570G2
D
RY401
RY626
RY651
D
G
I
H
RY652
RY628
RY627
A
20dB ATT
A
BUFFER
UPC4570G2
A
POWER
AMPLIFIER
IC401
PAC007A
IC403
PAC008A
IC402
PAC007A
A
17dB PRE
UPC4570G2
57
112
113
312
31
29
23
2
8
29
23
29
23
31
57
57
O
S-DC FUNC. SELECTOR
IC553
TC4051BP
O
S-C FUNC. SELECTOR
IC552
NJM2296D
15
3
1
11
14
13
15
7
5
9
3
Note : When ordering service parts, be sure to refer to "EXPLODED VIEWS and PARTS LIST" or "PCB PARTS LIST".

Other manuals for Pioneer VSA-E03

Related product manuals