EasyManua.ls Logo

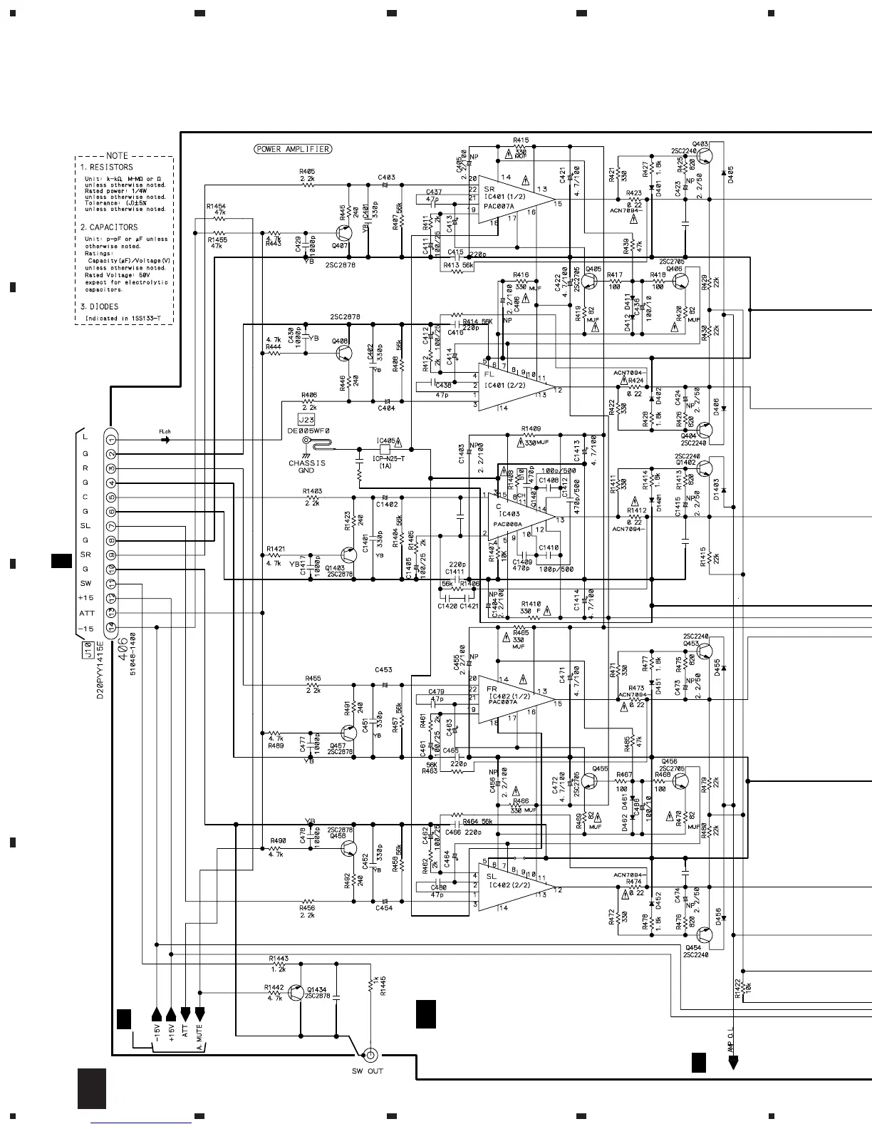
Pioneer VSA-E03 - Amplifier and Speaker Connect Assembly Schematics

Pioneer VSA-E03
61 pages
Print Icon
To Next Page IconTo Next Page
To Next Page IconTo Next Page
To Previous Page IconTo Previous Page
To Previous Page IconTo Previous Page
Loading...
VSA-E03
16
A
B
C
D
1
23
4
1234
3.6 AMP (1/2), F.SP.CONNECT, R.C.SP.CONNECT, FRONT LARGE
and REAR SP ASSYS
1/2
D
4.7/50
10/50
NP
4.7/50
4.7/50
39p 39p
4.7/50
4.7/50
JA413
AKB7111
C439
220p
/500
SL
C1441
220p
/500
SL
C442
220p
/500
SL
C1442
220p
/500
SL
R1456
C1439
4.7
10000p
YF
NP
NP
NP
NP
C1438
330p
10/50
10/50
10/50
1/2
AMP ASSY(1/2)
(AWX7446)
D
CN112
1/2
A
2/2
D
2/2
D

Other manuals for Pioneer VSA-E03

Related product manuals