EasyManua.ls Logo

Pioneer VSA-E03 - Page 27

Pioneer VSA-E03
61 pages
Print Icon
To Next Page IconTo Next Page
To Next Page IconTo Next Page
To Previous Page IconTo Previous Page
To Previous Page IconTo Previous Page
Loading...
VSA-E03
27
A
B
C
D
5
678
5
6
7
8
3/3
Q
3/3
DOLBY DIGITAL ASSY(3/3)
(AWX7196)
Q
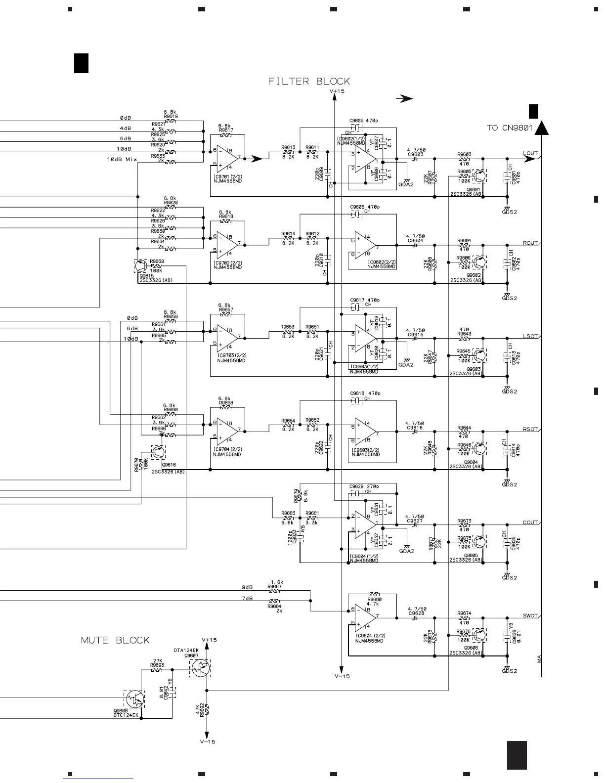
FILTER & MUTE BLOCK
1/3
Q
: AUDIO SIGNAL ROUTE

Other manuals for Pioneer VSA-E03

Related product manuals