EasyManua.ls Logo

Pitco MGII - Page 11

Pitco MGII
32 pages
Print Icon
To Next Page IconTo Next Page
To Next Page IconTo Next Page
To Previous Page IconTo Previous Page
To Previous Page IconTo Previous Page
Loading...
11
L22-236 Rev 0 (04/03)
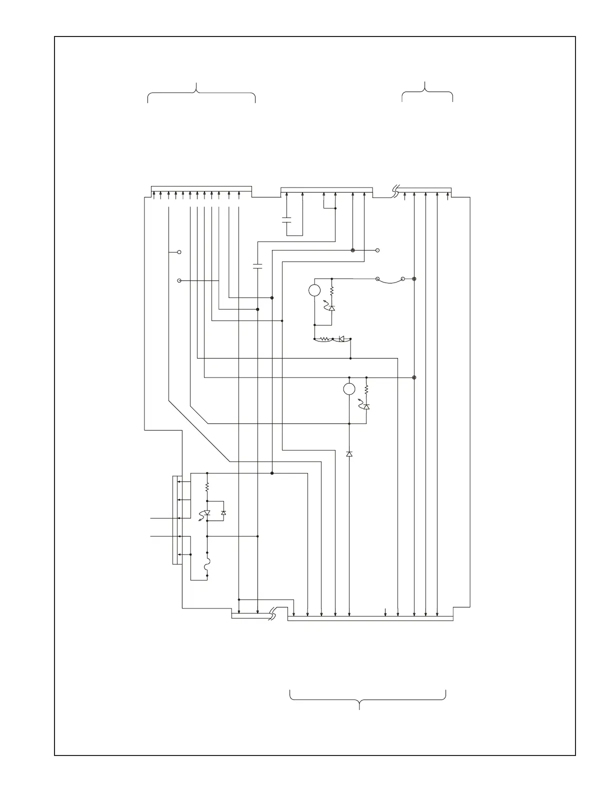
OR FLOAT
TO DRAIN
SWITCH
2
1
5
6
3
4
LIFT OPTION
TO BASKET
J34
1
AC POWER
6
4
5
3
HEAT DEM
K1
2
1
K3
SIDE ON
4
24VAC
F1
3
21
24VCOM
5
TRANSFORMER
24VA
C
FR
O
M A
C
LA
S
S
2
2
3
7
5
4
8
9
6
12
10
11
HEAT FEED BACK
TO RESET SWITCH IF REQUIRED
24VAC RETURN
TO HIGH LIMIT
BACK-UP
HEAT DEMAND ENABLE
HEAT DEMAND
TO
DRAIN OR
FLOAT SWITCH
24VACH
1
3
NONE
BASKET LIFT R
BASKET LIFT L
SIDE ON (DC)
HEAT DEMAND
24VDC RETURN
24VAC RETURN
HEAT FEEDBACK
6
2
4
5
7
8
10
9
TEMPERATURE
TO
PRIMARY
COOKING
CONTROLLER
FUSE
SIDE ON
K3
K1
HEAT
DEMAND
HEAT FEED BACK
24VACH POWER
24VACN RETURN
DRAIN OR FLOAT SWITCH
24VAC POWER SWITCHED
HEAT DEMAND
NONE
NONE
SIDE ON
DC RETURN
NONE
NONE
7
DC COMMON
BASKET LIFT LEFT
BASKET LIFT RIGHT
(DC)(DC)
CONTROL (OPT
)
OR NO OPTION
JUMPER BLOCK
J31
J34
60127301
J35
J32
J34
J33
Relay Board

Related product manuals