EasyManua.ls Logo

Pitco MGII - Page 15

Pitco MGII
32 pages
Print Icon
To Next Page IconTo Next Page
To Next Page IconTo Next Page
To Previous Page IconTo Previous Page
To Previous Page IconTo Previous Page
Loading...
1
2
3
4
6
7
5
1
2
3
4
6
7
5
ABC
DE
FGH
I
J
15
L22-236 Rev 0 (04/03)
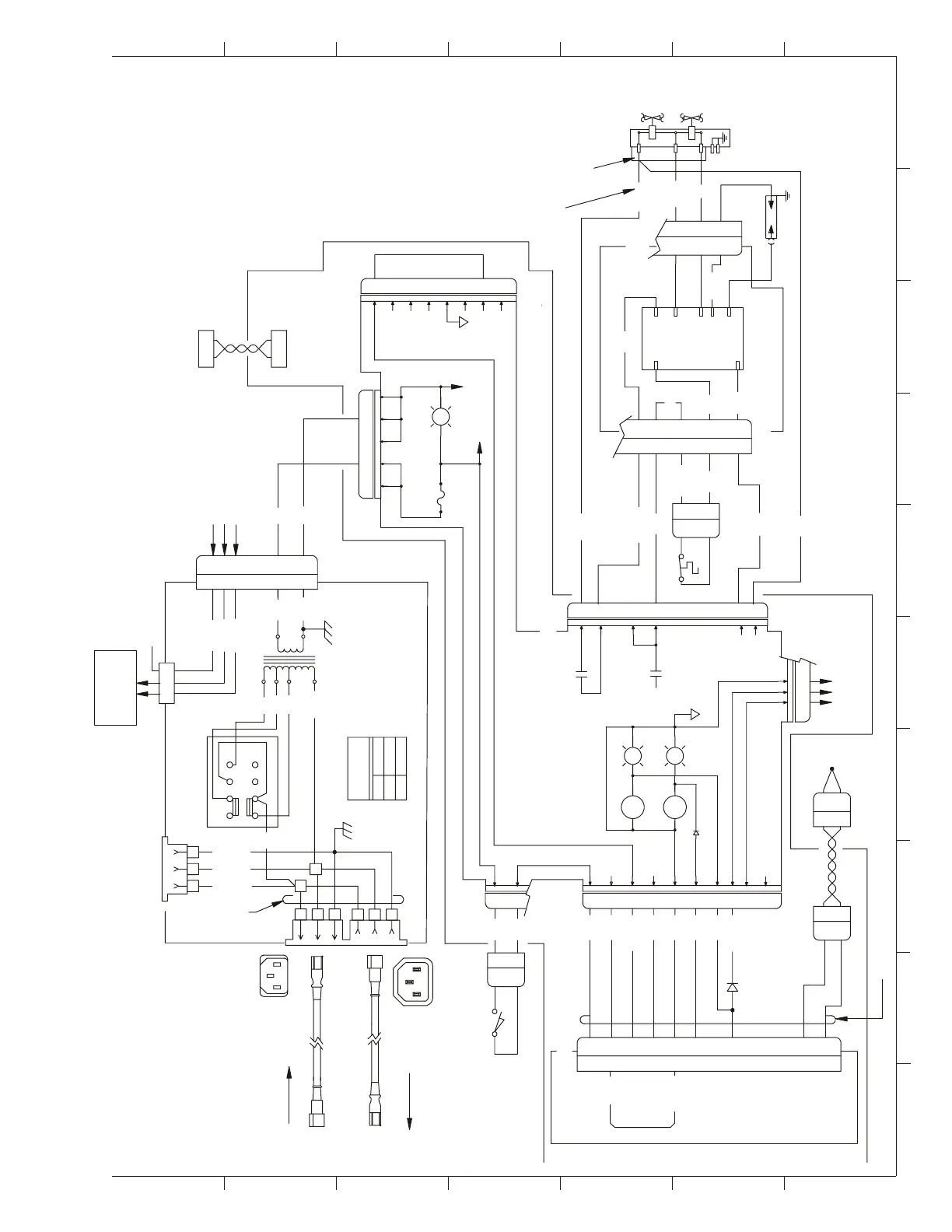
RELAY BOARD
TEMPERATURE CONTROL (LEFT SIDE CONNECTIONS)
A1
A4
ENTRANCE BOX
A2
MATCHLESS
VALVE
GAS
V1
IGNITION
CONTROL ENCLOSURE
A10
24VAC
AC POWER
TEMP
PROBE
L
N
BLU
2
BLU
RED
6
VIOL
HEAT DEM
WIRE HARNESS B6750801 LEFT
NONE
2
1
J/P41
4
PROBE-
PROBE+
3
BLK
10
12
SIDE ON
8
9
11
NONE
YEL
VIOL/W
BLK
J/P31
1
2
J/P7
RT1
9
10
8
7
D4
240 V
208 V
120 V
SELECT SW1
AC VOLTAGE
DRAIN VALVE
TO NEXT
L N
GND
16 AWG
SJTO
G
N
C
B
A
N
L
G
L
J13
W
B
G
FRAME
2
6
HFB
DC COM
7
24VACH
24VAC
1
ORG
RED
WHT
BLU/W
J/P1
INPUT
5BRN
HFB
4
5
3
2
K1
K3
1
(60127301)
WHT
BRN
3
5
FRAME
T1
80VA
10
WHT
J/P35
1.5 A TD
F1
1
FUSE
2
3
1
WHT
NOT USED
1
GND
GRN-16
WHT-16
BLK-16
BLK-16
WHT-16
GRN-16
1
BLK
5
3
AB C
2
SW1
84
6
J11
L N G
J12
VIOL/W
7
1
ORG
2
24 VAC
6
W/BRN
3
2
NOT USED
RED
CONTROL
VIOL/W
3
6
P8
2
1
W/BRN
RED/W
J/P10
4
5
FROM J34
HOOD
J/P33
1
3
CONTROL
TO P10 HOOD
W/BRN
VIOL/W
RED/W
67 435
J/P34
AC
5
6HFB
HEAT FEED BACK
ORG
WHT
P/J5
2
HL1
BLU
BLK9
P/J2
7
8
BLU
GRN/Y
24VG
SPARK
GND
PV
E2
IGNITOR
1
5
PILOT
GY
HIGH LIMIT
24VAC
K3
SIDE ON
4
3
HEAT DEM
K1
2
1
J/P32
YEL/W
YEL
1
BRN/W
3
4
YEL
2
BRN
RED
7
24VAC COM
5
4
3
2
5
4
6
1
10
UL 1213 AWM TEFLON
RED
W/BLK
MV/PV
24VAC
MV
6
P/J2
MAIN
2
3
GAS
VALVE
P17
B6747001
BLK/W
2
P43
1
J/P4
1
2
J/P34
1
2
BRN
BLU
FRYPOT
NOTE 6
DRAIN
OR FLOAT
SWITCH
LS1
24VAC
AC COM
AC COM
AC
COM
COM
TO CORD AND
HOOD RELAY
BOX PG 3
D5
OR FROM PREVIOUS
SHEET 4
FROM J101
B
6
7
50
7
0
1 RI
G
HT
COM
ENTRANCE BOX
AT L EFT
NOTE 6
*
*
*
LEFT CONNECTION ONLY
SCHEMATIC 700334, SHEET 2

Related product manuals