EasyManua.ls Logo

Pitco MGII - Page 17

Pitco MGII
32 pages
Print Icon
To Next Page IconTo Next Page
To Next Page IconTo Next Page
To Previous Page IconTo Previous Page
To Previous Page IconTo Previous Page
Loading...
1
2
3
4
6
7
5
1
2
3
4
6
7
5
ABC
DE
FGH
I
J
17
L22-236 Rev 0 (04/03)
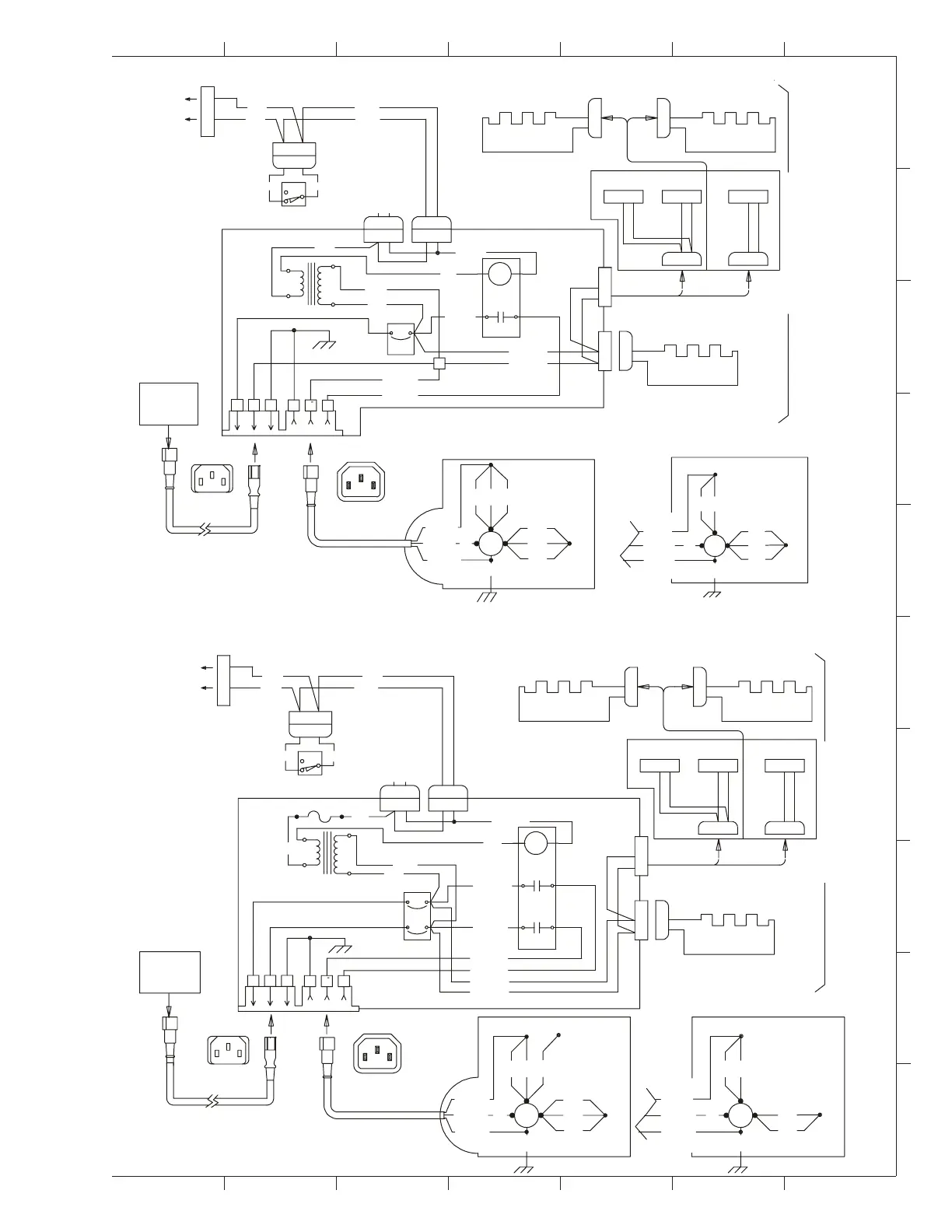
CB1
T3
LS4
M1 M1
K5
HTR3HTR2
HTR1
208, 220-230V/50-60HZ OR 240V/50HZ (EXPORT AND CE)
A5
PUMP BOX
WHT-16
WHT-16
BLK-16
BLK-16
P1
GRN-16
IF SHORTENING OPTION IS SUPPLIED.
*ADD .15 AMPS PER HEAT TAPE
230 VAC/ 50-60Hz / 3.6-4.2 FLA *
240 VAC/ 50HZ / 4.3 FLA *
16/3 AWG SJTO CORD
WHT-16
BLK-16
240V
FRAME
(RESET)
ON/OFF
BLK
ORG
0.2A TD
BLU
F2
BLU
5VA
21
J/P30
J/P31
12
VIOLWHT
21
J/P22
AS SHOWN.
VALVE OPEN
OR FLUSH HOSE.
TYPICAL
RETURN VALVE
VALVE
TO NEXT
VIOL
WHT
21
J20
VIOL
WHT
G
T
5
GRN-16
G
T
5
T
2
T
3
T4T8 P2
P1
WHT-16
BLK-16
T4T8
PUMP MOTOR
230V 50/60HZ
PUMP MOTOR
240V 50HZ
RUN
N02
C2
N01
C1
W/BRN
YEL
240V/ 25W
FLUSH HOSE 2
HEATER OPTION
240V/ 25W
FLUSH HOSE 1
HEATER OPTION
P18
3
2
1
3
1
2
P19
J18
213 213 1
J18 J19
23
P51
1
3
2
LINE
PUMP RETURN
240V/ 50W
B6748001
12
P52
B6748103
B6748102
B6748101
3 1
P52
SHORTENING HEATER OPTIONS
B6748104
23
1
2
3
J52
1
2
3
J51
WHT-18
BLK-18
L
L GN
NG
J71
L
GND
SJTO
16 AWG
N
N
L
GND
16 AWG
SJTO
J72
T1
24V
P102
A11
FROM
CORD BOX
M1
LS4
CB1
T3
K5
115V/60HZ (DOMESTIC)
HTR3HTR2
HTR1
A5 PUMP BOX
*ADD .3 AMPS PER HEAT TAPE
115VAC 50-60 Hz/7.3 FLA*
IS SUPPLIED.
IF SHORTENING OPTION
16/3 AWG SJTO CORD
GRN-16
G
T
5
115V 50/60HZ
P1
WHT-16
BLK-16
P
2
T
3
T4T8 T2
PUMP MOTOR
FRAME
WHT
WHT
115V
RUN
SHORTENING HEATER OPTIONS
WHT-18
WHT-16
BLK-16
BLK-16
BLK
ON/OFF
(RESET) BLK-18
N01
C1
5VA
1
J/P30
BLU
212
W/BRN
YEL
J/P31
VIOL
AS SHOWN.
VALVE OPEN
OR FLUSH HOSE.
RETURN VALVE
TYPICAL
VALVE
TO NEXT
21
VIOL
WHT
VIOL
WHT
115V/ 25W
HEATER OPTION
FLUSH HOSE 2
P19
2
1
3
1
2
3
P18
115V/ 25W
HEATER OPTION
FLUSH HOSE 1
3
2
1
J52
J51
3
2
1
2
3
1
115V/ 50W
PUMP RETURN
LINE
P51
1
B6748101
B6748102
B6748103
B6748104
P52 P52
321 321
B6748001
23
J18
213
J19 J18
123
J/P22
12
G
GL
N
LN
16 AWG
SJTO
N
J71
GND
L
SJTO
16 AWG
J72
L N
GND
J20
24V
P102
CORD BOX
FROM
A11
M1
T4T8
WHT-16
BLK-16
GRN-16
G
T1
T2
T3
T
5
PUMP MOTOR
208V 50-60HZ
SCHEMATIC 700334, SHEET 4

Related product manuals