EasyManua.ls Logo

Pitco MGII - Page 19

Pitco MGII
32 pages
Print Icon
To Next Page IconTo Next Page
To Next Page IconTo Next Page
To Previous Page IconTo Previous Page
To Previous Page IconTo Previous Page
Loading...
1
2
3
4
6
7
5
1
2
3
4
6
7
5
ABC
DE
FGH
I
J
19
L22-236 Rev 0 (04/03)
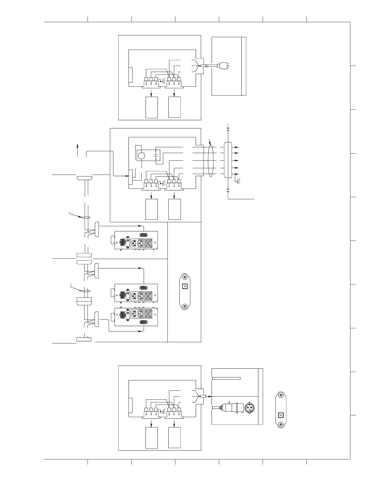
K6
CORD AND HOOD RELAY BOX
14T TYPICAL TYPICAL
14, 14R, 18
CORD BOX EXPORT
CORD BOX EXPORT
A11A11
120V
A10A10A10
240V
CORD BOX NO HOOD CONTROL
A11
CORD BOX DOMESTIC
DOMESTIC ONLY
DOMESTIC ONLY
CORD BOX WITH HOOD CONTROL
NO HOOD CONTROL
RIGHT
J12
INSTALLEDPWITH
HOODPOPTION ONLY
J103
J103
13
VIOL
RED
VIOL
RED
N01
C1
YEL
HOOD
P103
W/BRN
2
321
TO NEXT
ENTRANCE BOX
OR
J103
P12
321
TO NEXT
ENTRANCE
231
INSTALLEDPWITH
HOOD PO PTION O NLY
RED
VIOL
RED
VIOL
321
P103
213
P12
LEFT
J12
P12L
213
J12
LEFT
CORD BOX
12 3
IN FAR
LEFT CABINET
P104
GW Z XY
GRN WHT ORG RED BLK
TO HOOD MOTOR
CONTROL CKT.
20A/208 VAC MAX
GNEUT L
120VAC/15A
CORDSETP#6013
7201
CUSTOMER SUPPLIED EQUIPMENT
NEMA L21-20P120/208
VAC P3 PH ASE
GND NEUT L1 L2 LOAD
J102
L
BLK-14
WHT-14
GRN-14
SEE SHEET 2
TO PUMP BOX
N
G
BLK-12
RED-12
ORG-12
WHT-12
GRN-12
L
J101
G
N
230VAC/1PH/10A MIN SERVICE
J103
P104
TO PUMP BOX
SEE SHEET 2
J101
CORDSETP#6013
7401
L
G/Y-14
BRN-14
BLU-14
N
G
G
WHT-14
G/Y-14
L
N
BLK-14
12 3
NOT USED
RELAY
J102
CORDSETP#60137
402
PLUG
SUPPLIED
BY OTHERS
EXPORTPC
E
EXPORTPNO
N CE
B1824302 OR B1824303
B1824301
B67450901 (2X)
B67450901 SIN GLE
ALL A10 LOCATIONS
SWITCH SET FOR
VOLTAGE SELECTOR
120V POSITION AT
240V POSITION AT
VOLTAGE SELECTOR
SWITCH SET FOR
ALL A1 0 LOC ATION S
115VAC/1PH/50-60Hz/15A MIN SERVICE
PLUG
NEMA 5-15P
TO PUMP BOX
SEE SHEET 2
J102
GRN-14
BLU-14
BRN-14
L
N
G
G
WHT-14
GRN-14
L
N
BLK-14
J101
J103
NOT USED
12 3
B1824304
BOX
12 3
12 3
L- BRN
N- BLUE
G- G/Y
MG2 AND ME2
TO FIRST FRYER
ENTRANCE BOX
TO FIRST FRYER
ENTRANCE BOX
MG2 AND ME2
TO FIRST FRYER
ENTRANCE BOX
MG2 AND ME2
SCHEMATIC 700334, SHEET 6

Related product manuals