EasyManua.ls Logo

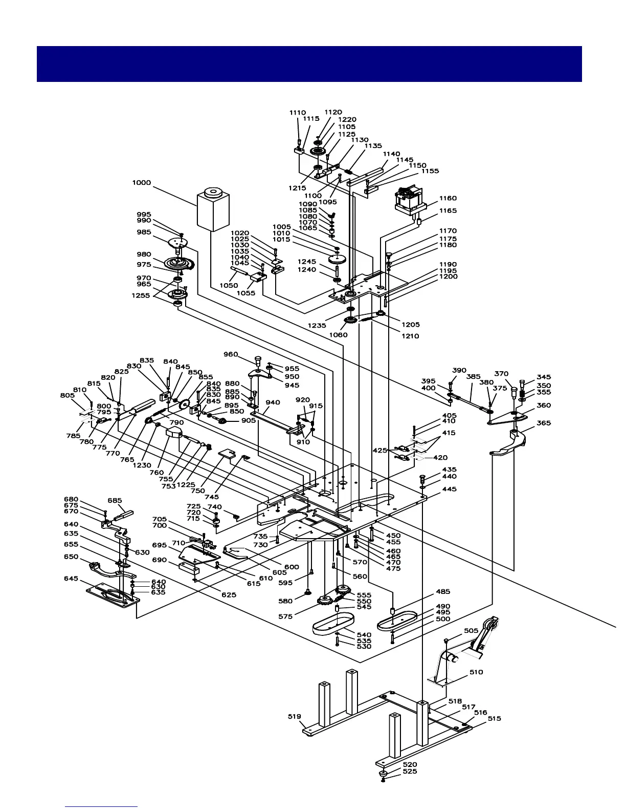
Plas-Ties XL2 - Explosion Chart; Exploded View Diagram

Default Icon
42 pages
Print Icon
To Next Page IconTo Next Page
To Next Page IconTo Next Page
To Previous Page IconTo Previous Page
To Previous Page IconTo Previous Page
Loading...
Page 36
APPENDIX A
EXPLOSION CHART