EasyManua.ls Logo

Platinum Access Systems ACTP715 - Accessory Connections

Platinum Access Systems ACTP715
33 pages
Print Icon
To Next Page IconTo Next Page
To Next Page IconTo Next Page
To Previous Page IconTo Previous Page
To Previous Page IconTo Previous Page
Loading...
TECHNICAL SUPPORT: (909) 259-6001
ACTP715
23
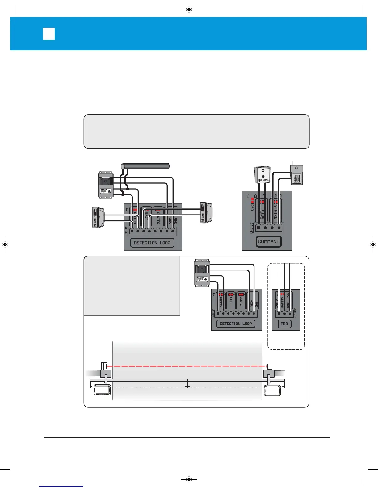
Installation: Accessory Connections
Inside
Outside
Open
Commands
K
eypad
Fire
Override
Safety Connections
Edge Sensor
Photo
Beam
T
X
Exit Loop
Detector
Safety
Loop
Detector
Reopen Photo Beam
Note: Installing the photo beam in this way,
allows the gate to re-open all the way upon
obstruction of the photo-beam.
The optional PBD connector provides a
controlled power supply for Photo Beam.
The power will be turned off when gate is
in close position to save battery.
Photo
Beam
T
X
Option for
Solar Power
Input ONLY
To decrease the possibility of vehicle entrapment on the gate, vehicle loop detectors
need to be installed. The edge sensor and the photo-electric beam can be used for
secondary entrapment protection on every installation to prevent pedestrian or
animal entrapment. These accessories must be UL325 compliant devices.
ACCESSORY CONNECTIONS:
ACTP715 Manual_Layout 1 11/4/2014 3:53 PM Page 25