EasyManua.ls Logo

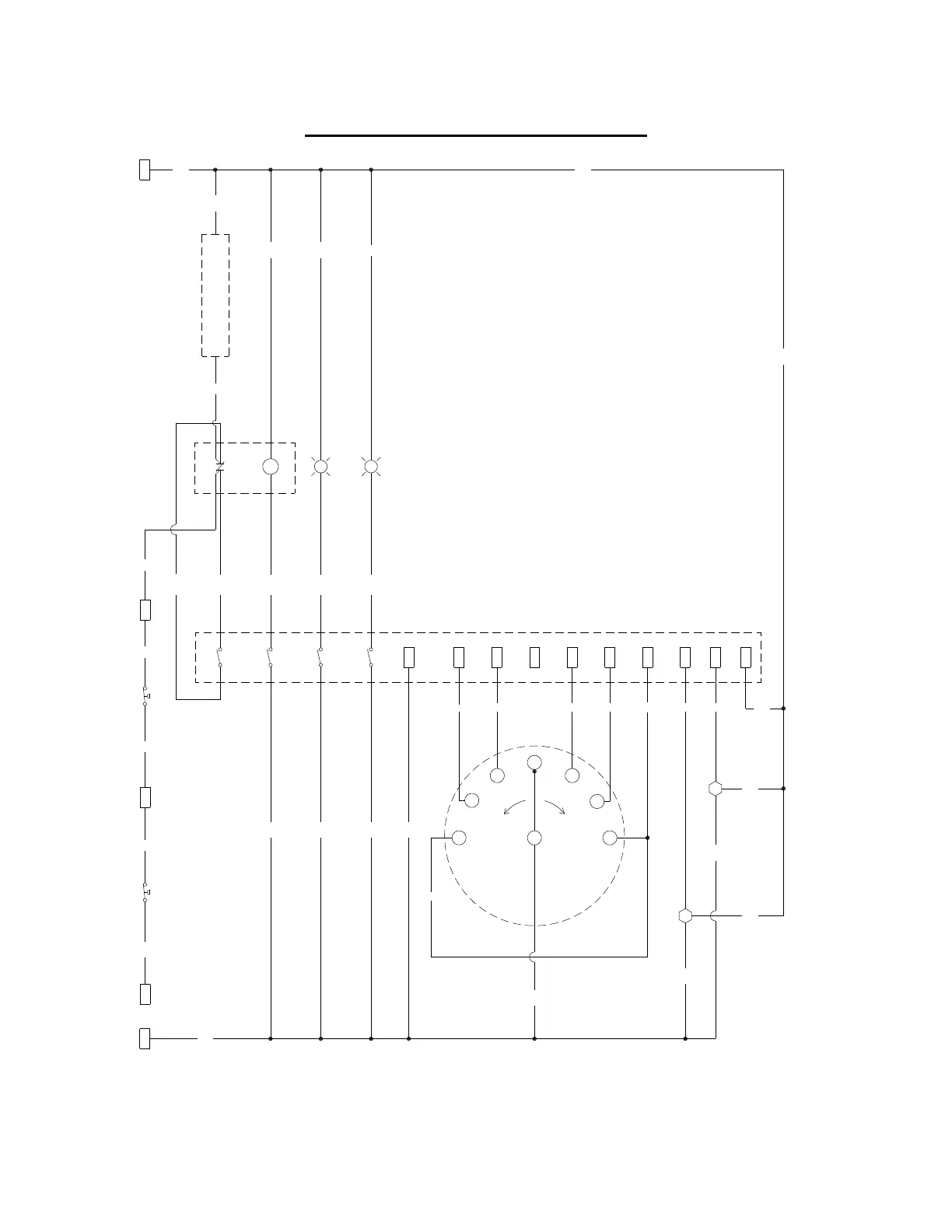
PMC PH - Pressure Balance Control Ladder Diagram

PMC PH
58 pages
Print Icon
To Next Page IconTo Next Page
To Next Page IconTo Next Page
To Previous Page IconTo Previous Page
To Previous Page IconTo Previous Page
Loading...
220 VAC – 1 Phase
21
Pressure Balance Control Circuit
C
1
7
4
100
200
1211
CONTACT
X2X1
FAULT
R
X2X1
ON
G
12
Q1
12
Q4
12
Q2
12
Q3
24V
2
3
5
6
I2
I3
I4
I5
I6
I1
A2A1
COIL
I7
I8
0V
A
R
CONTROL UNIT
1 CR
ROTARY
SWITCH
PRESSURE
TRANSDUCER
PRESSURE
TRANSDUCER
100
100
100
100
I4
I2
I1
I5
I7
I8100
100
200
200
200
200
200
200
200
Q1-1
Q4-1
Q2-1
Q3-1
16
200
100
I6
200
A PRESS R PRESS
55
56107
PUMP CIRCUIT*
107 55 55 56 56
Q1-2
56 200
100
*See Pump Circuit (Pg. 20)

Related product manuals